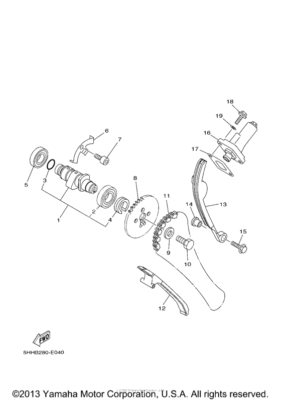
Camshaft chain
Camshaft chain
Camshaft Assy 1 (Ref #1)
1
Part #5HH-E2170-20-00
BEARING (Ref #2)
2
Part #93306-003X0-00
Washer, Needle Valve (Ref #3)
3
Part #93210-108B1-00
COLLAR (Ref #4)
4
Part #90387-16804-00
BEARING (Ref #5)
5
Part #93306-002Y5-00
PLATE (Ref #6)
6
Part #5HH-E111F-00-00
BOLT (Ref #7)
7
Part #9131M-06012-00
Звездочка, цепь кулака (Ref #8)
8
Part #5VL-E2176-10-00
Washer, Plate (Ref #9)
9
Part #90201-08877-00
BOLT (Ref #10)
10
Part #90101-08590-00
Цепь (Ref #11)
11
Part #94582-18090-00
Guide, Stopper 1 (Ref #12)
12
Part #5YY-E2231-00-00
Направляющая стопора 2 (Ref #13)
13
Part #5YY-E2241-00-00
COLLAR (Ref #14)
14
Part #5HH-E5598-00-00
BOLT (Ref #15)
15
Part #95817-06020-00
Натяжитель, цепь кулака (Ref #16)
16
Part #5VL-12210-10-00
Washer, Needle Valve (Ref #17)
17
Part #5HH-E2213-00-00
BOLT (Ref #18)
18
Part #95817-06016-00
Washer, Needle Valve (Ref #19)
19
Part #90430-06014-00
-
125HH-E2231-10-00
Guide, Stopper 1
1Replaced by 5YY-E2231-00-00 Доступно: Нет в наличии
-
135HH-E2241-10-00
Направляющая стопора 2
1Replaced by 5YY-E2241-00-00 Доступно: Нет в наличии
