Картер двигателя
Картер двигателя
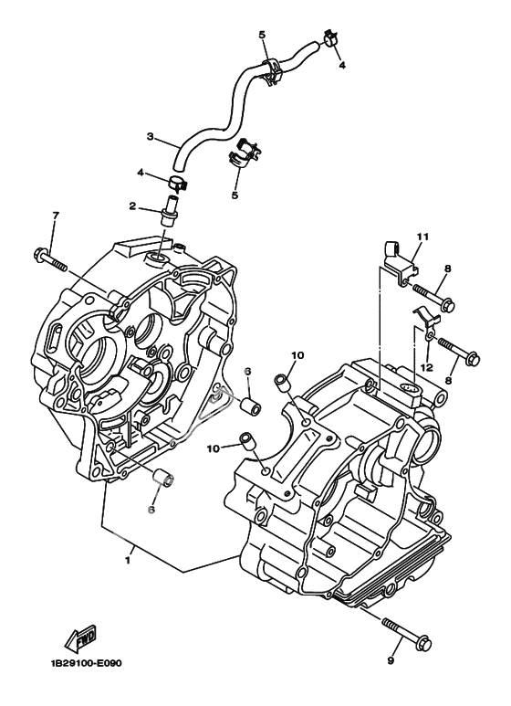
Crankcase Assy (Ref #1)
1
Part #5HH-E5150-41-00
Трубка, сапун 2 (Ref #2)
2
Part #5HH-E1167-00-00
Трубка, сапун 1 (Ref #3)
3
Part #1B2-E1166-10-00
CLIP (Ref #4)
4
Part #90467-13800-00
CLIP (Ref #4)
4
Part #90467-13800-00
CLIP (Ref #4)
4
Part #90467-13800-00
CLIP (Ref #4)
4
Part #90467-13800-00
CLAMP (Ref #5)
5
Part #90464-15192-00
CLAMP (Ref #5)
5
Part #90464-15192-00
CLAMP (Ref #5)
5
Part #90464-15192-00
CLAMP (Ref #5)
5
Part #90464-15192-00
Pin, Dowel (Ref #6)
6
Part #99530-10114-00
Pin, Dowel (Ref #6)
6
Part #99530-10114-00
Pin, Dowel (Ref #6)
6
Part #99530-10114-00
Pin, Dowel (Ref #6)
6
Part #99530-10114-00
BOLT (Ref #7)
7
Part #90109-06W35-00
Болт (Ref #8)
8
Part #95027-06045-00
Болт (Ref #8)
8
Part #95027-06045-00
Болт (Ref #8)
8
Part #95027-06045-00
Болт (Ref #8)
8
Part #95027-06045-00
BOLT (Ref #9)
9
Part #901-05068-55-00
Держатель кабеля муфты (Ref #11)
11
Part #1B2-E5441-00-00
CLAMP (Ref #12)
12
Part #90462-08005-00
