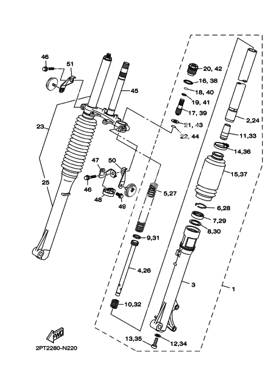
Вилка передней оси
Вилка передней оси
Front Fork Assy (L.h) (Ref #1)
1
Part #1B2-F3102-20-00
Внутренняя трубка (Ref #2)
2
Part #1B2-F3110-10-00
Труба внешняя (Ref #3)
3
Part #1B2-F3126-10-00
Поршень передней вилки (Ref #4)
4
Part #1B2-F3171-00-00
Spring, Pilot Adjusting (Ref #5)
5
Part #1B2-F3351-20-00
RETAINER, MAGNETO BASE (Ref #6)
6
Part #2A6-F3156-00-00
Oil seal (Ref #7)
7
Part #5B6-23145-00-00
Шайба сальника (Ref #8)
8
Part #5B6-23146-00-00
Кольцо поршневое (Ref #9)
9
Part #1E7-F3157-00-00
Spring, Pilot Adjusting (Ref #10)
10
Part #1B2-F3151-00-00
Washer, Plate (Ref #11)
11
Part #1B2-F3166-00-00
Washer, Needle Valve (Ref #12)
12
Part #3MA-F3129-00-00
Болт диагональный (Ref #13)
13
Part #4B4-F3181-00-00
BAND (Ref #14)
14
Part #1B2-23192-00-00
Ботинок (Ref #15)
15
Part #1B2-23191-00-00
Oil seal (Ref #16)
16
Part #1L9-23145-00-00
Болт стакана (Ref #17)
17
Part #1B2-23111-00-00
Circlip (Ref #18)
18
Part #1B2-23183-20-00
Washer, Needle Valve (Ref #19)
19
Part #93210-08003-00
Fork Bolt (Ref #20)
20
Part #1B2-2311H-00-00
Уплотнение пружины верх. (Ref #21)
21
Part #1B2-23142-00-00
RETAINER, MAGNETO BASE (Ref #22)
22
Part #1B2-23153-20-00
Front Fork Assy (R.h) (Ref #23)
23
Part #1B2-F3103-20-00
Труба внешняя (Ref #25)
25
Part #1B2-F3136-10-00
UNDER BRACKET COMP. (Ref #45)
45
Part #1B2-F3340-00-35
BOLT (Ref #46)
46
Part #90105-10304-00
BOLT (Ref #46)
46
Part #90105-10304-00
BOLT (Ref #46)
46
Part #90105-10304-00
BOLT (Ref #46)
46
Part #90105-10304-00
Bracket 1 (Ref #47)
47
Part #1B2-F334G-00-00
Направляющая кабеля (Ref #48)
48
Part #1C6-F3389-00-00
Screw, With Washer (Ref #49)
49
Part #90119-05193-00
STAY (Ref #50)
50
Part #1B2-F317E-00-00
Stay 2 (Ref #51)
51
Part #1B2-F317F-00-00
-
191KT-23114-00-00
Washer, Needle Valve
1Replaced by 93210-08003-00 Доступно: Нет в наличии
