Электрооборудование 1
Электрооборудование 1
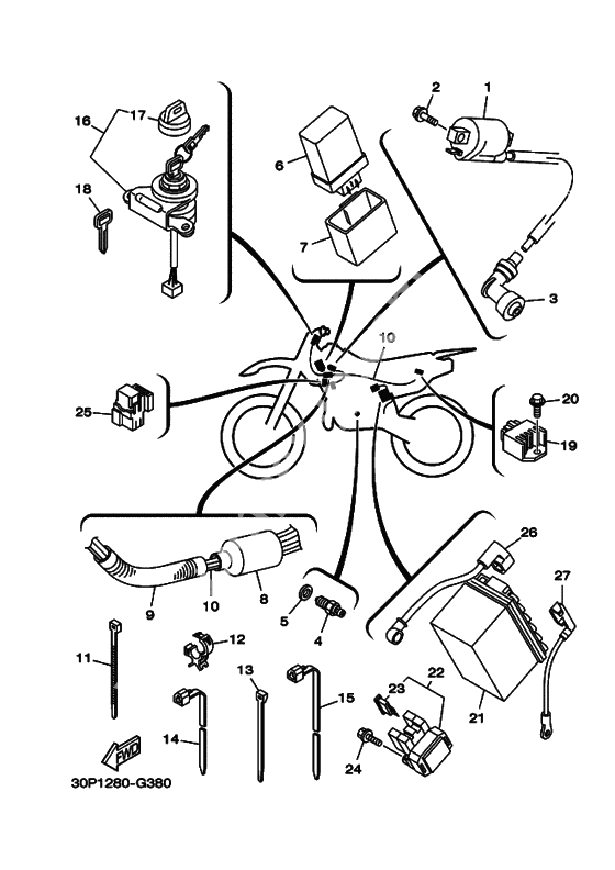
Катушка зажигания (Ref #1)
1
Part #3KJ-82310-11-00
BOLT (Ref #2)
2
Part #95880-06016-00
Plug Cap Assy (Ref #3)
3
Part #4BP-82370-00-00
Нейтральный переключатель (Ref #4)
4
Part #5HH-H2540-02-00
Washer, Needle Valve (Ref #5)
5
Part #90430-09809-00
Коммутатор (Ref #6)
6
Part #5HP-85540-00-00
BAND (Ref #7)
7
Part #5HP-85546-00-00
Крышка соединителя (Ref #8)
8
Part #1B2-H2599-00-00
Шланг, с пружиной (Ref #9)
9
Part #90447-19004-00
Wire Harness Assy (Ref #10)
10
Part #19C-H2590-10-00
Wire Harness Assy (Ref #10)
10
Part #19C-H2590-10-00
Wire Harness Assy (Ref #10)
10
Part #19C-H2590-10-00
Wire Harness Assy (Ref #10)
10
Part #19C-H2590-10-00
CLAMP (Ref #11)
11
Part #90464-15152-00
CLAMP (Ref #12)
12
Part #90464-15192-00
BAND (Ref #13)
13
Part #1UA-82591-00-00
CLAMP (Ref #14)
14
Part #90464-15195-00
MAIN SWITCH ASSY (Ref #16)
16
Part #5HP-82510-01-00
Колпачок ключа (Ref #17)
17
Part #3HN-82579-00-00
Blank Key (B-Type) (Ref #18)
18
Part #90890-56002-00
Blank Key (A-Type) (Ref #18)
18
Part #90890-56001-00
Выпрямитель и регулятор (Ref #19)
19
Part #4CK-81960-01-00
BOLT (Ref #20)
20
Part #95027-06012-00
Battery Assy (Gs Gt4L-Bs) (Ref #21)
21
Part #GTX-4LBS0-00-00
Battery Assy (Gs Gt4L-Bs) (Ref #21)
21
Part #9079R-24279-00
Gtx4Lbs Gs Battery (Ref #21)
21
Part #YTX-4LBS0-00-00
Реле (Ref #22)
22
Part #5HH-81940-02-00
Fuse (10A-Bl) (Ref #23)
23
Part #42X-82151-00-00
BOLT (Ref #24)
24
Part #95027-06008-00
Relay Assy (8Dm-00) (Ref #25)
25
Part #8DM-81950-00-00
Wire, Plus Lead (Ref #26)
26
Part #1B2-H2115-00-00
Wire, Minus Lead (Ref #27)
27
Part #1B2-H2116-00-00
-
13KJ-82310-10-00
Катушка зажигания
1Replaced by 3KJ-82310-11-00 Доступно: Нет в наличии
-
14KJ-82310-10-00
Катушка зажигания
1Replaced by 3KJ-82310-10-00 Доступно: Нет в наличии
-
1490464-13077-00
Хомут пластмассовый
3Replaced by 90464-15195-00 Доступно: Нет в наличии
-
165HP-82510-00-00
MAIN SWITCH ASSY
1Replaced by 5HP-82510-01-00 Доступно: Нет в наличии
-
195HH-H1960-00-00
Выпрямитель и регулятор
1Replaced by 4CK-81960-01-00 Доступно: Нет в наличии
-
211B2-H2100-10-00
Gtx4Lbs Gs Battery
1Replaced by 9079R-24279-00 Доступно: Нет в наличии
