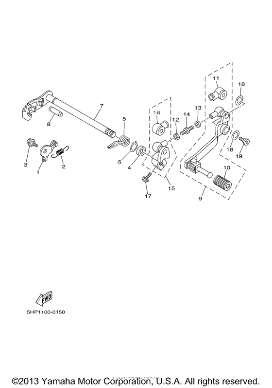
Shift shaft
Shift shaft
Уровень стопора (Ref #1)
1
Part #5AP-18140-00-00
Spring, Pilot Adjusting (Ref #2)
2
Part #5AP-18337-00-00
BOLT (Ref #3)
3
Part #90109-06190-00
Oil seal (Ref #4)
4
Part #93101-12173-00
Spring, Pilot Adjusting (Ref #5)
5
Part #90508-32642-00
Circlip (Ref #6)
6
Part #99006-10600-00
. SHAFT (Ref #7)
7
Part #5AP-18101-01-00
Pin, Dowel (Ref #8)
8
Part #93608-30152-00
Педаль КПП (Ref #9)
9
Part #5HP-18110-00-00
Cover, Shift Pedal (Ref #10)
10
Part #1W6-18113-00-00
Пыльник (Ref #11)
11
Part #2H9-18154-00-00
Nut (Counter Clockwise) (Ref #12)
12
Part #90170-06228-00
Nut, flange (Ref #12)
12
Part #9538R-06700-00
Штанга передачи (Ref #14)
14
Part #2KW-18115-00-00
Arm, Shift (Ref #15)
15
Part #5HP-18112-00-00
BOLT (Ref #17)
17
Part #95817-06020-00
Washer, Plate (Ref #18)
18
Part #90201-127J6-00
Washer, Plate (Ref #18)
18
Part #90201-127J6-00
Washer, Plate (Ref #18)
18
Part #90201-127J6-00
Washer, Plate (Ref #18)
18
Part #90201-127J6-00
BOLT (Ref #19)
19
Part #90109-065F3-00
-
-
Цена: 970.00 р.
Доступно: 6
-
