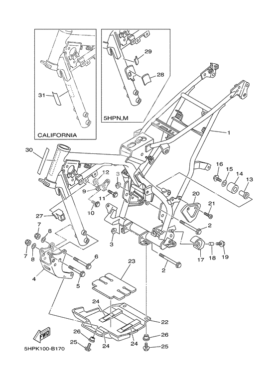
Frame

Frame

Frame
+ -
  • 01
    5HP-21110-20-00

    FRAME COMP

    1
    Доступно: Нет в наличии
  • 02
    90105-08007-00

    BOLT

    2
    Доступно: Нет в наличии
  • 03
    901-85081-69-00

    Гайка, самоблокирующаяся

    2
    Доступно: Нет в наличии
  • 04
    5HP-21316-10-00

    Подставка, двигатель 3

    1
    Доступно: Нет в наличии
  • 05
    90105-084A1-00

    BOLT

    2
    Доступно: Нет в наличии
  • 06
    90105-08011-00

    BOLT

    2
    Доступно: Нет в наличии
  • 07
    95617-08100-00

    Гайка, самоблокирующаяся

    4
    Доступно: Нет в наличии
  • 08
    90201-086P8-00

    Washer, Plate

    4
    Доступно: Нет в наличии
  • 09
    5HP-21315-00-00

    Подставка, двигатель 2

    1
    Доступно: Нет в наличии
  • 10
    90105-082A0-00

    BOLT

    2
    Доступно: Нет в наличии
  • 11
    90105-08002-00

    BOLT

    1
    Доступно: Нет в наличии
  • 13
    10V-22184-00-00

    GROMMET

    1
    Доступно: Нет в наличии
  • 14
    30X-22178-00-00

    Натяжитель

    1
    Доступно: Нет в наличии
  • 15
    90201-08753-00

    Washer, Plate

    1
    Replaced by 90201-081R9-00 Доступно: Нет в наличии
  • 15
    90201-081R9-00

    Washer, Plate

    1
    Доступно: Нет в наличии
  • 16
    95027-08012-00

    BOLT

    1
    Доступно: Нет в наличии
  • 17
    99999-04397-00

    Натяжитель

    1
    Доступно: Нет в наличии
  • 17
    4ES-22178-00-00

    Натяжитель

    1
    Replaced by 99999-04397-00 Доступно: Нет в наличии
  • 18
    90387-060A3-00

    Втулка

    1
    Доступно: Нет в наличии
  • 19
    90119-06118-00

    Screw, With Washer

    1
    Доступно: Нет в наличии
  • 20
    5HP-2117F-00-00

    COVER

    1
    Доступно: Нет в наличии
  • 21
    5HP-21471-00-00

    Protector, engine

    0
    Доступно: Нет в наличии
  • 21
    98904-06010-00

    Винт, бандаж

    2
    Replaced by 98980-06012-00 Доступно: Нет в наличии
  • 21
    98980-06010-00

    Screw, Pan Head

    0
    Replaced by 5HP-21471-00-00 Доступно: Нет в наличии
  • 21
    98980-06012-00

    Screw, Pan Head

    2
    Доступно: Нет в наличии
  • 23
    5HP-21485-00-00

    . スプリング, デリバリバルブ

    1
    Доступно: Нет в наличии
  • 24
    5HP-21268-00-00

    Валик

    3
    Доступно: Нет в наличии
  • 25
    95817-06016-00

    BOLT

    3
    Доступно: Нет в наличии
  • 25
    95807-06016-00

    BOLT

    3
    Replaced by 95817-06016-00 Доступно: Нет в наличии
  • 26
    90387-06857-00

    COLLAR

    3
    Доступно: Нет в наличии
  • 26
    90387-06681-00

    COLLAR

    3
    Replaced by 90387-06857-00 Доступно: Нет в наличии
  • 27
    5HP-2117R-00-00

    Cover 4

    1
    Доступно: Нет в наличии
  • 28
    22F-2139X-00-00

    Амортизатор

    1
    Доступно: Нет в наличии
  • 28
    3YF-24849-00-00

    Амортизатор

    1
    Replaced by 22F-2139X-00-00 Доступно: Нет в наличии
  • 29
    5HN-2139X-00-00

    Демпфер

    1
    Доступно: Нет в наличии
  • 30
    5HP-2179X-00-00

    Plate, Epa (U50)

    1
    Доступно: Нет в наличии
  • 31
    5HP-2179T-30-00

    Plate, Epa 3(California)

    1
    Доступно: Нет в наличии