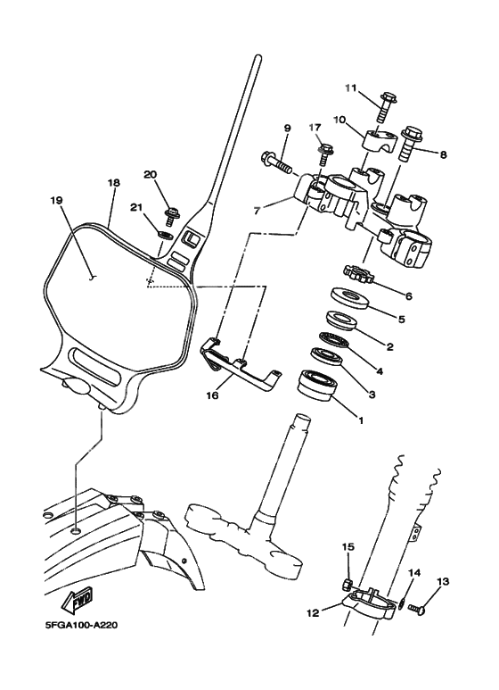
Steering
Steering
BEARING (Ref #1)
1
Part #93332-00008-00
Обойма шарика 1 (Ref #2)
2
Part #BP2-23411-00-00
Обойма шарика 2 (Ref #3)
3
Part #22F-23412-01-00
Retainer, Ball Bearing (Ref #4)
4
Part #4VW-F341E-00-00
Крышка 2 (Ref #5)
5
Part #10V-23416-01-00
Nut, flange (Ref #6)
6
Part #90179-25W23-00
Crown, Handle (Ref #7)
7
Part #4VW-F3435-00-00
Screw, With Washer (Ref #8)
8
Part #90105-14329-00
Болт (Ref #9)
9
Part #958-14080-40-00
Holder, Handle Upper (Ref #10)
10
Part #3V9-F3441-10-35
BOLT (Ref #11)
11
Part #95814-08035-00
Holder, Cable (Ref #12)
12
Part #34X-23317-00-00
Screw, Pan Head (Ref #13)
13
Part #98517-05020-00
Washer, Plate (Ref #14)
14
Part #92907-05200-00
Nut, flange (Ref #15)
15
Part #95317-05600-00
Stay, Plate (Ref #16)
16
Part #5FG-F3487-02-00
BOLT (Ref #17)
17
Part #95817-06020-00
Plate, number (Ref #18)
18
Part #5FG-F3485-00-00
Графика (Ref #19)
19
Part #5FG-F339E-30-00
Screw, Pan Head With Washer (Ref #20)
20
Part #976-0N061-16-00
Washer, Plate (Ref #21)
21
Part #90201-062A8-00
-
222F-23411-01-00
Обойма шарика 1
1Replaced by BP2-23411-00-00 Доступно: Нет в наличии
-
54AN-F3416-00-00
Cover, Ball Race 2
1Replaced by 10V-23416-01-00 Доступно: Нет в наличии
-
124AN-F3317-01-00
Holder, Cable
1Replaced by 34X-23317-00-00 Доступно: Нет в наличии
-
1398507-05020-00
Screw, Pan Head
1Replaced by 98517-05020-00 Доступно: Нет в наличии
