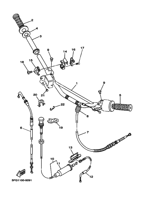
Steering handle
Steering handle
HANDLEBAR (Ref #1)
1
Part #5FG-F6111-00-00
Grip (Right) (Ref #2)
2
Part #1LX-26242-01-00
Труба дросселя (Ref #3)
3
Part #434-26243-12-00
RETAINER, MAGNETO BASE (Ref #4)
4
Part #1M1-26249-01-00
Grip (Left) (Ref #5)
5
Part #1LX-26241-01-00
Cable, Throttle 1 (Ref #6)
6
Part #3RW-26311-10-00
Cable, clutch (Ref #7)
7
Part #4VW-F6335-10-00
Ботинок (Ref #8)
8
Part #4FP-F6342-10-00
Заглушка (Ref #9)
9
Part #90338-09012-00
Заглушка (Ref #9)
9
Part #90338-09012-00
Заглушка (Ref #9)
9
Part #90338-09012-00
Заглушка (Ref #9)
9
Part #90338-09012-00
Starter Cable Assy (Ref #10)
10
Part #2TY-F6330-00-00
Крышка резиновая (Ref #11)
11
Part #2VG-F6329-00-00
Кабель стартера (Ref #12)
12
Part #3RW-26334-00-00
Соединение кабеля (Ref #13)
13
Part #2TY-F6261-00-00
Cap, Grip Upper (Ref #14)
14
Part #38V-26281-00-98
Cap, Grip Upper (Ref #15)
15
Part #493-26282-00-98
Cap, Grip Upper (Ref #16)
16
Part #38V-2628H-00-00
Screw, Pan Head (Ref #17)
17
Part #98707-04012-00
Screw, Pan Head (Ref #18)
18
Part #98507-05016-00
Держатель проводки (Ref #19)
19
Part #4BE-2637G-10-00
CLAMP (Ref #20)
20
Part #90464-10193-00
CAP (Ref #21)
21
Part #2WL-F5825-00-00
CLIP (Ref #22)
22
Part #90468-15020-00
-
64VW-F6311-10-00
Cable, Throttle 1
1Replaced by 3RW-26311-10-00 Доступно: Нет в наличии
-
124VW-F6334-00-00
Кабель стартера
1Replaced by 3RW-26334-00-00 Доступно: Нет в наличии
-
194BE-2637G-00-00
Держатель проводки
1Replaced by 4BE-2637G-10-00 Доступно: Нет в наличии
