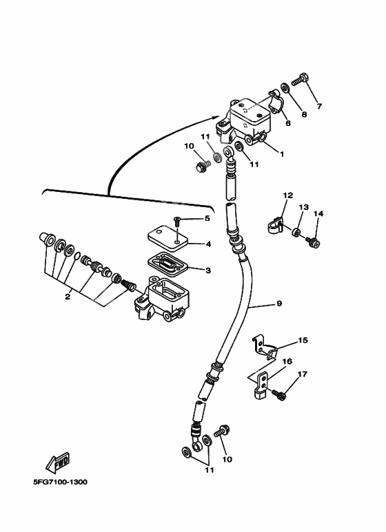
Front master cylinder
Front master cylinder
Главный цилиндр (Ref #1)
1
Part #39F-25870-00-00
Комплект главного цилиндра (Ref #2)
2
Part #56A-W0041-00-00
Gasket, Diaphragm (Ref #3)
3
Part #4L0-25854-00-00
Стакан резервуара (Ref #4)
4
Part #4H7-25852-00-00
Screw, Pan Head (Ref #5)
5
Part #98707-04012-00
Кронштейн (Ref #6)
6
Part #4L0-25867-00-00
Bolt, Hexagon (Ref #7)
7
Part #970-17060-25-00
Washer, Plate (Ref #8)
8
Part #92907-06600-00
Hose, Brake 1 (Ref #9)
9
Part #3RW-25872-02-00
BOLT (Ref #10)
10
Part #90401-10159-00
BOLT (Ref #10)
10
Part #90401-10159-00
BOLT (Ref #10)
10
Part #90401-10159-00
BOLT (Ref #10)
10
Part #90401-10159-00
Holder, Brake Hose 1 (Ref #12)
12
Part #4BN-F5875-00-00
Washer, special (Ref #13)
13
Part #4AN-F1515-10-00
BOLT (Ref #14)
14
Part #95817-06025-00
Holder, Cable 1 (Ref #15)
15
Part #4BN-F3318-00-00
Plate, support (Ref #16)
16
Part #5FG-F332U-00-00
BOLT (Ref #17)
17
Part #91317-06012-00
-
44L3-25852-00-00
Стакан резервуара
1Replaced by 4H7-25852-00-00 Доступно: Нет в наличии
