Электрооборудование 1
Электрооборудование 1
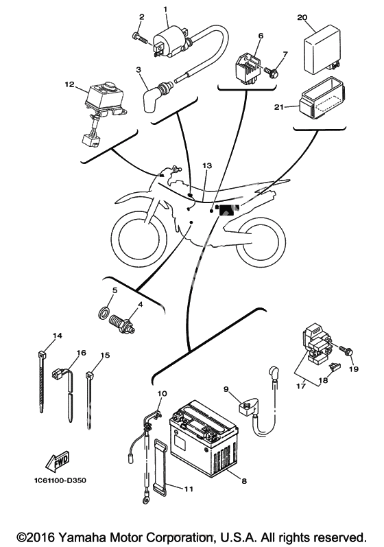
Катушка зажигания (Ref #1)
1
Part #3KJ-82310-11-00
BOLT (Ref #2)
2
Part #95817-06016-00
Plug Cap Assy (Ref #3)
3
Part #5EL-82370-00-00
Нейтральный переключатель (Ref #4)
4
Part #4GY-82540-10-00
Washer, Needle Valve (Ref #5)
5
Part #90430-10148-00
Выпрямитель и регулятор (Ref #6)
6
Part #4CK-81960-01-00
BOLT (Ref #7)
7
Part #95027-06012-00
Battery (Ytx5L-Bs 12V 4Ah) (Ref #8)
8
Part #1C6-H2100-11-00
Wire, Plus Lead (Ref #9)
9
Part #1C6-H2115-00-00
Wire, Minus Lead (Ref #10)
10
Part #1C6-H2116-00-00
Комплект аккамулятора (Ref #11)
11
Part #1C6-H2131-00-00
MAIN SWITCH ASSY (Ref #12)
12
Part #1C6-82510-01-00
Wire Harness Assy (Ref #13)
13
Part #1C6-H2590-00-00
CLAMP (Ref #14)
14
Part #90464-15152-00
BAND (Ref #15)
15
Part #1UA-82591-00-00
CLAMP (Ref #16)
16
Part #90464-15195-00
Реле (Ref #17)
17
Part #5HH-81940-02-00
Fuse (10A-Bl) (Ref #18)
18
Part #42X-82151-00-00
BOLT (Ref #19)
19
Part #95027-06008-00
Коммутатор (Ref #20)
20
Part #1C6-H5540-00-00
BAND (Ref #21)
21
Part #1C6-H5546-00-00
-
13KJ-82310-10-00
Катушка зажигания
1Replaced by 3KJ-82310-11-00 Доступно: Нет в наличии
-
13NS-82310-10-00
Катушка зажигания
1Replaced by 3KJ-82310-10-00 Доступно: Нет в наличии
-
33NS-82370-00-00
Колпачок высоковольтный
1Replaced by 5EL-82370-00-00 Доступно: Нет в наличии
-
65HH-H1960-00-00
Выпрямитель и регулятор
1Replaced by 4CK-81960-01-00 Доступно: Нет в наличии
-
121C6-82510-00-00
MAIN SWITCH ASSY
1Replaced by 1C6-82510-01-00 Доступно: Нет в наличии
-
1690464-13077-00
Хомут пластмассовый
5Replaced by 90464-15195-00 Доступно: Нет в наличии
