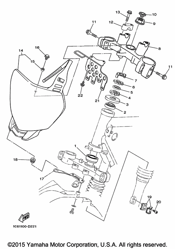
Рулевой механизм
Рулевой механизм
BEARING (Ref #1)
1
Part #93332-00008-00
Подшипник (Ref #2)
2
Part #93332-000Y6-00
Крышка 2 (Ref #3)
3
Part #4JG-23416-00-00
Nut, flange (Ref #4)
4
Part #90179-25W23-00
Washer, Plate (Ref #5)
5
Part #90202-26142-00
Nut, flange (Ref #6)
6
Part #90179-25W22-00
Washer, special (Ref #7)
7
Part #5HH-F3418-00-00
Crown,handle (Ref #8)
8
Part #1C6-F3435-00-35
Nut, flange (Ref #9)
9
Part #90179-22005-00
CAP (Ref #10)
10
Part #1C6-F319U-00-00
BOLT (Ref #11)
11
Part #95027-08040-00
BOLT (Ref #11)
11
Part #95027-08040-00
BOLT (Ref #11)
11
Part #95027-08040-00
BOLT (Ref #11)
11
Part #95027-08040-00
Holder, Handle Upper (Ref #12)
12
Part #3V9-F3441-10-35
BOLT (Ref #13)
13
Part #95027-08035-00
Plate, number (Ref #14)
14
Part #1C6-F3485-00-00
COLLAR (Ref #15)
15
Part #903-8706W-62-00
Стойка, плата (Ref #16)
16
Part #1C6-F3486-00-00
BOLT (Ref #16)
16
Part #95022-06014-00
Grommet(80K) (Ref #18)
18
Part #90480-13428-00
CLAMP (Ref #19)
19
Part #90465-14242-00
BOLT (Ref #20)
20
Part #9131M-06016-00
BRACKET (Ref #21)
21
Part #1C6-H350E-00-00
BOLT (Ref #22)
22
Part #95817-06014-00
-
123V9-F3441-10-00
Holder, Handle Upper
2Replaced by 3V9-F3441-10-35 Доступно: Нет в наличии
