Сцепление
Сцепление
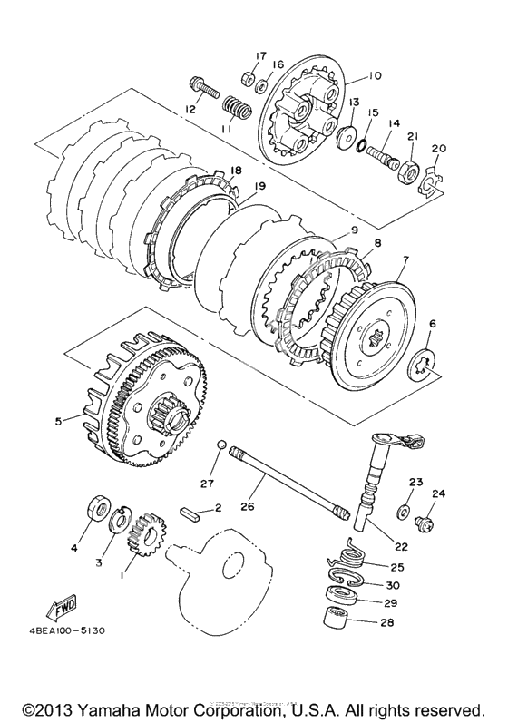
GEAR, PRIMARY DRIVE (Ref #1)
1
Part #5H0-16111-00-00
Key, Straight (Ref #2)
2
Part #90282-05043-00
Шайба, стопорная (Ref #3)
3
Part #90215-14205-00
Nut, flange (Ref #4)
4
Part #90170-14284-00
PRIMARY DRIVEN GEAR COMP. (Ref #5)
5
Part #1KH-16150-00-00
Plate, Thrust 1 (Ref #6)
6
Part #2LN-16154-00-00
Boss, Clutch (Ref #7)
7
Part #2LN-16371-00-00
プレート, トランサム (Ref #8)
8
Part #537-16321-00-00
Plate, Clutch 1 (Ref #9)
9
Part #336-16324-00-00
Крышка сцепления. (Ref #10)
10
Part #5H0-16351-00-00
Spring, Compression (Ref #11)
11
Part #90501-23700-00
Screw, Pan Head With (Ref #12)
12
Part #90159-05011-00
Plate, Push (Ref #13)
13
Part #1W1-16358-01-00
Rod, Push 1 (Ref #14)
14
Part #4JG-16356-00-00
Washer, Needle Valve (Ref #15)
15
Part #93210-48364-00
Washer, Plate (Ref #16)
16
Part #92907-06200-00
Nut, flange (Ref #17)
17
Part #95317-06600-00
Plate, Friction (Ref #18)
18
Part #36X-16321-00-00
Spring.,cushion (Ref #19)
19
Part #1KH-16383-00-00
Washer, lock (Ref #20)
20
Part #902-15141-86-00
Рукоятка нажима (Ref #22)
22
Part #4JG-16380-01-00
Washer, Needle Valve (Ref #23)
23
Part #90201-08087-00
BOLT (Ref #24)
24
Part #90149-08067-00
Spring, Pilot Adjusting (Ref #25)
25
Part #90508-18495-00
Rod, Push 2 (Ref #26)
26
Part #5H0-16357-00-00
Ball (Ref #27)
27
Part #93505-16006-00
BEARING (Ref #28)
28
Part #93315-31449-00
Oil seal (Ref #29)
29
Part #93102-14209-00
Circlip (Ref #30)
30
Part #93420-28055-00
-
9137-16324-00-00
Plate, Clutch 1
5Replaced by 336-16324-00-00 Доступно: Нет в наличии
-
2390430-08119-00
Washer, Needle Valve
1Replaced by 90201-08087-00 Доступно: Нет в наличии
