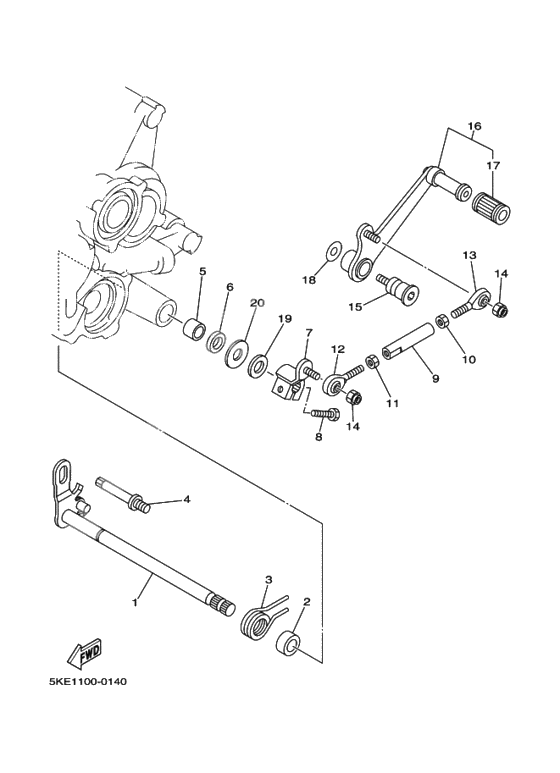
Shaft shift
Shaft shift
. SHAFT (Ref #1)
1
Part #5KE-18101-00-00
SPACER (Ref #2)
2
Part #90560-12361-00
Spring, Pilot Adjusting (Ref #3)
3
Part #90508-29742-00
Стопор, винт (Ref #4)
4
Part #3MA-18127-00-00
GROMMET (Ref #5)
5
Part #90383-12013-00
Oil seal (Ref #6)
6
Part #93109-12012-00
Arm, Shift (Ref #7)
7
Part #4DP-18112-00-00
BOLT (Ref #8)
8
Part #97017-06020-00
Штанга передачи (Ref #9)
9
Part #5KE-18115-00-00
Nut (Counter Clockwise) (Ref #10)
10
Part #90170-06228-00
Соединение тяги 1 (Ref #11)
11
Part #5JJ-18116-00-00
Nut, flange (Ref #11)
11
Part #9538R-06700-00
Соединение тяги 2 (Ref #13)
13
Part #3TC-18117-00-00
Гайка U (Ref #14)
14
Part #95617-06100-00
Гайка U (Ref #14)
14
Part #95617-06100-00
Гайка U (Ref #14)
14
Part #95617-06100-00
Гайка U (Ref #14)
14
Part #95617-06100-00
BOLT (Ref #15)
15
Part #90109-087F6-00
Педаль КПП (Ref #16)
16
Part #4DP-18110-00-00
Крышка педали (Ref #17)
17
Part #3FV-18113-00-00
Washer, Plate (Ref #18)
18
Part #90201-087F0-00
SPACER (Ref #19)
19
Part #90560-12075-00
Washer, Plate (Ref #20)
20
Part #90201-12588-00
-
113TC-18116-00-00
Соединение тяги 1
0Replaced by 5JJ-18116-00-00 Доступно: Нет в наличии
