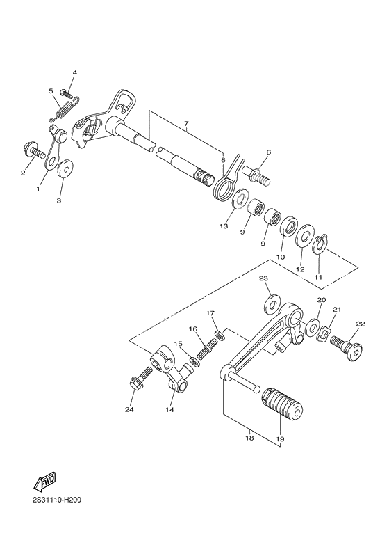
Вал переключения

Вал переключения

Вал переключения
+ -
  • 01
    2S3-18140-00-00

    Уровень стопора

    1
    Доступно: Нет в наличии
  • 02
    901-59060-28-00

    Screw, Pan Head With

    1
    Доступно: Нет в наличии
  • 02
    90159-06027-00

    Screw, Pan Head With

    1
    Replaced by 901-59060-28-00 Доступно: Нет в наличии
  • 03
    4NX-18175-00-00

    SPACER

    1
    Доступно: Нет в наличии
  • 04
    132-16346-00-00

    Винт

    1
    Доступно: Нет в наличии
  • 05
    90506-15002-00

    Пружина натяжения

    1
    Доступно: Нет в наличии
  • 06
    1D7-18127-00-00

    Болт-фиксатор

    1
    Replaced by 5VK-18127-00-00 Доступно: Нет в наличии
  • 06
    5VK-18127-00-00

    Болт-фиксатор

    1
    Доступно: Нет в наличии
  • 07
    2S3-18101-02-00

    . SHAFT

    0
    Доступно: Нет в наличии
  • 07
    2S3-18101-01-00

    . SHAFT

    1
    Доступно: Нет в наличии
  • 07
    2S3-18101-00-00

    . SHAFT

    1
    Replaced by 2S3-18101-01-00 Доступно: Нет в наличии
  • 08
    90508-32020-00

    Пружина

    1
    Replaced by 905-08321-41-00 Доступно: Нет в наличии
  • 08
    905-08321-41-00

    Пружина

    1
    Доступно: 1
  • 09
    93317-11295-00

    Подшипник

    2
    Доступно: Нет в наличии
  • 10
    931-02123-21-00

    Oil seal

    1
    Доступно: Нет в наличии
  • 10
    93102-12106-00

    Oil seal

    1
    Replaced by 931-02123-21-00 Доступно: Нет в наличии
  • 11
    99002-10600-00

    Стопор

    1
    Доступно: Нет в наличии
  • 12
    90201-12575-00

    Шайба

    1
    Доступно: Нет в наличии
  • 13
    90201-127E1-00

    Шайба

    1
    Replaced by 90201-125L6-00 Доступно: Нет в наличии
  • 13
    90201-125L6-00

    Washer, Plate

    1
    Доступно: Нет в наличии
  • 14
    2S3-18112-00-00

    Arm, Shift

    1
    Доступно: Нет в наличии
  • 15
    2S3-18115-00-00

    Штанга передачи

    0
    Доступно: Нет в наличии
  • 15
    95304-06700-00

    Nut, flange

    1
    Replaced by 9538R-06700-00 Доступно: Нет в наличии
  • 15
    95380-06700-00

    Nut, flange

    0
    Replaced by 2S3-18115-00-00 Доступно: Нет в наличии
  • 15
    9538R-06700-00

    Nut, flange

    1
    Доступно: Нет в наличии
  • 17
    90170-06228-00

    Nut (Counter Clockwise)

    1
    Доступно: Нет в наличии
  • 18
    2S3-18110-00-00

    Педаль КПП

    1
    Доступно: Нет в наличии
  • 19
    2S3-18113-00-00

    Крышка педали

    1
    Доступно: Нет в наличии
  • 20
    90201-12013-00

    Washer, Plate

    1
    Доступно: Нет в наличии
  • 21
    90206-12074-00

    Шайба волнистая

    1
    Доступно: Нет в наличии
  • 22
    2S3-27217-10-00

    BOLT

    1
    Доступно: Нет в наличии
  • 22
    2S3-27217-00-00

    BOLT

    1
    Replaced by 2S3-27217-10-00 Доступно: Нет в наличии
  • 23
    90201-080H1-00

    Шайба

    1
    Доступно: Нет в наличии
  • 24
    95022-06020-00

    BOLT

    1
    Доступно: Нет в наличии