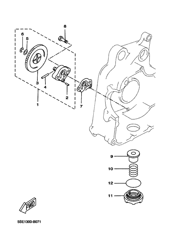
Масляный насос
Масляный насос
Насос масляный в сборе (Ref #1)
1
Part #1C0-E3300-00-00
Штифт (Ref #2)
2
Part #93603-12X03-00
Шестерня насоса (Ref #3)
3
Part #1C0-E3325-00-00
Штифт (Ref #4)
4
Part #93603-22X01-00
Шайба (Ref #5)
5
Part #90201-08X22-00
Стопор (Ref #6)
6
Part #93430-06X02-00
Прокладка (Ref #7)
7
Part #4HC-13475-00-00
Болт (Ref #8)
8
Part #90111-06X06-00
Фильтр spule (Ref #9)
9
Part #5YP-E3411-00-00
Spring (278-13169-00) (Ref #10)
10
Part #905-0118X-01-00
Plug, Drain (Ref #11)
11
Part #1S7-E5351-00-00
Washer, Needle Valve (Ref #12)
12
Part #93210-347A1-00
-
1090501-18X00-00
Пружина компрессора
1Replaced by 905-0118X-01-00 Доступно: Нет в наличии
-
111C0-E5351-00-00
Заглушка дренажная
1Replaced by 1S7-E5351-00-00 Доступно: Нет в наличии
