Вал переключения
Вал переключения
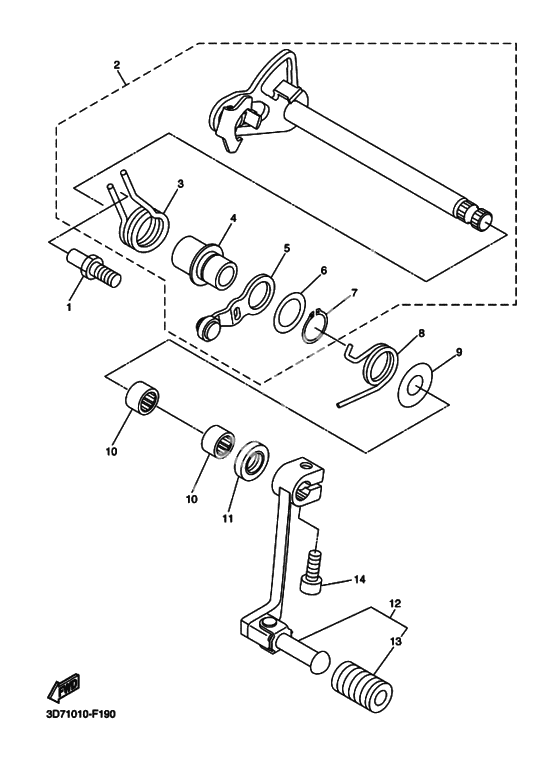
Вал переключателей (копирный) (Ref #1)
1
Part #3D7-18540-00-00
Фиксатор (Ref #2)
2
Part #3D7-18542-00-00
Spring, Compression (Ref #3)
3
Part #90501-06022-00
Переключатель (вилка) 1 (Ref #4)
4
Part #3D7-18511-00-00
Переключатель (вилка) 2 (Ref #5)
5
Part #3D7-18512-00-00
Переключатель (вилка) 3 (Ref #6)
6
Part #3D7-18513-00-00
Штифт 1 (Ref #7)
7
Part #4GY-18531-00-00
