Привод стартера
Привод стартера
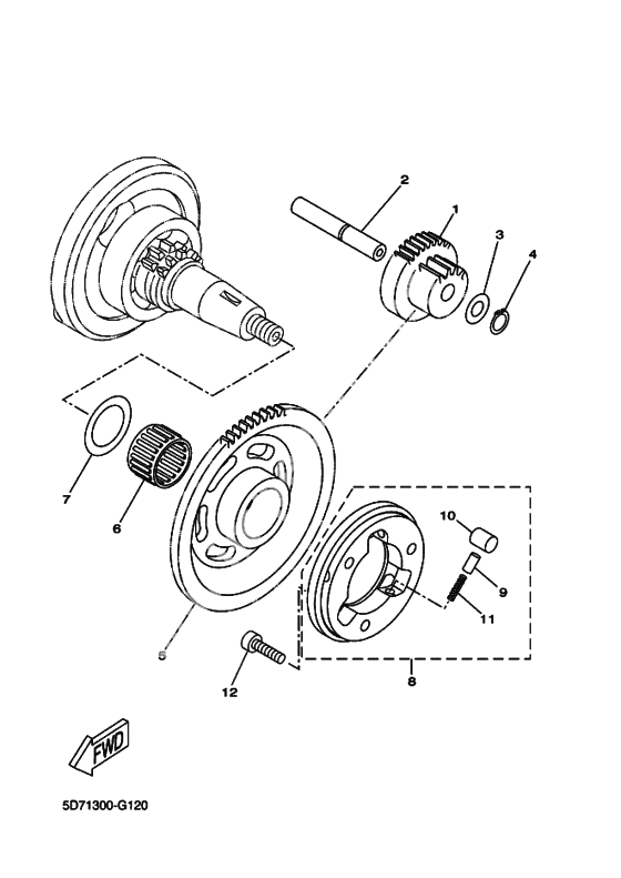
Gear 2 (Ref #1)
1
Part #1PA-E5514-00-00
Shaft 1 (Ref #2)
2
Part #5D7-E5521-00-00
Шайба (Ref #3)
3
Part #90201-10X18-00
Стопор (Ref #4)
4
Part #93410-10X00-00
Wheel, Starter (Ref #5)
5
Part #1PA-E5524-00-00
Bearing (Ref #6)
6
Part #93310-325X1-00
Шайба (Ref #7)
7
Part #90201-256K6-00
Муфта обгонная (Ref #8)
8
Part #5YP-E5580-00-00
Cap, Starter Clutch Spring (Ref #9)
9
Part #3AY-15583-00-00
Палец (Ref #10)
10
Part #5YP-E5614-00-00
Пружина (Ref #11)
11
Part #90501-030A0-00
BOLT (Ref #12)
12
Part #91317-06016-00
-
53C1-E5524-00-00
Wheel, Starter
1Replaced by 1PA-E5524-00-00 Доступно: Нет в наличии
-
95HV-E5583-00-00
Колпачок зацепления
3Replaced by 3AY-15583-00-00 Доступно: Нет в наличии
