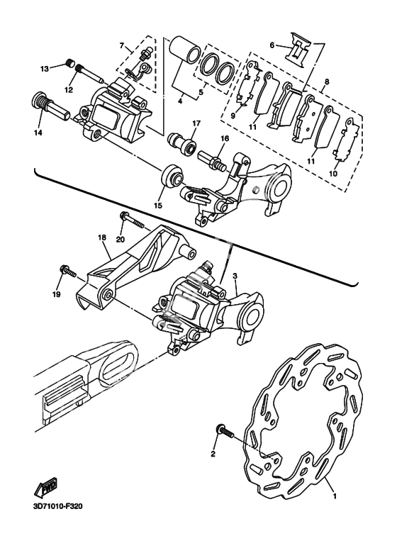
Задний тормозной суппорт
Задний тормозной суппорт
Диск тормозной (Ref #1)
1
Part #3D7-2582W-01-00
Суппорт тормозной (Ref #2)
2
Part #3D7-2580W-00-00
BOLT (Ref #2)
2
Part #90149-06308-00
Поршень суппорта, комплект (Ref #4)
4
Part #5UN-W0057-50-00
Уплотнение поршня, комплект (Ref #5)
5
Part #5UN-W0047-50-00
Скоба колодки (Ref #6)
6
Part #5DH-25919-50-00
Bleed Screw Kit (Ref #7)
7
Part #36Y-W0048-00-00
Колодки тормозные (Ref #8)
8
Part #1C3-W0046-B0-00
Пластина колодки (Ref #9)
9
Part #5UN-25828-60-00
Пластина колодки (Ref #10)
10
Part #5UN-25827-60-00
Пластина изолирующая (от нагрева) (Ref #11)
11
Part #5UN-22898-60-00
Пластина изолирующая (от нагрева) (Ref #11)
11
Part #5UN-22898-60-00
Пластина изолирующая (от нагрева) (Ref #11)
11
Part #5UN-22898-60-00
Пластина изолирующая (от нагрева) (Ref #11)
11
Part #5UN-22898-60-00
Палец (Ref #12)
12
Part #8CR-25924-00-00
Пробка (Ref #13)
13
Part #5DH-25916-00-00
Палец (Ref #14)
14
Part #5DH-25914-50-00
Уплотнение (Ref #15)
15
Part #3JD-25917-00-00
Палец (Ref #16)
16
Part #5UN-25914-00-00
Ботинок (Ref #17)
17
Part #1UY-25937-51-00
Защита (Ref #18)
18
Part #1C3-27491-50-00
BOLT (Ref #19)
19
Part #95022-06016-00
BOLT (Ref #20)
20
Part #95022-06030-00
-
-
Цена: 1 100.00 р.
Доступно: 2
-
-
71UY-W0048-50-00
Bleed Screw Kit
1Replaced by 36Y-W0048-00-00 Доступно: Нет в наличии
