Shift, Shaft
Shift, Shaft
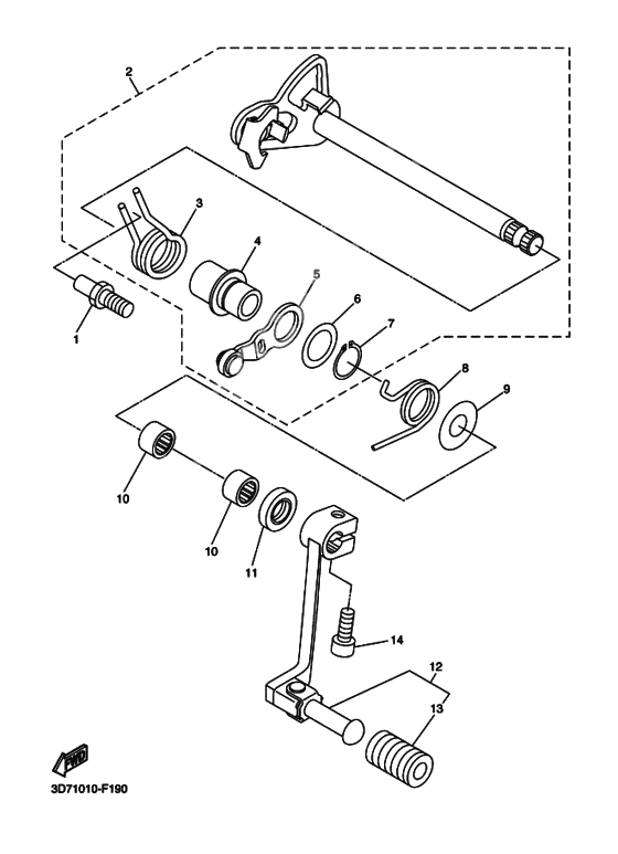
Болт-фиксатор (Ref #1)
1
Part #5VK-18127-00-00
Педаль переключения (Ref #2)
2
Part #3D7-18101-01-00
Spring, Pilot Adjusting (Ref #3)
3
Part #90508-32007-00
Втулка (основание пружины) (Ref #4)
4
Part #3D7-18175-00-00
Рычаг фиксации положения включателя (Ref #5)
5
Part #3D7-18140-00-00
Washer, Plate (Ref #6)
6
Part #90201-177G4-00
Circlip (Ref #7)
7
Part #93410-17X00-00
Пружина (Ref #8)
8
Part #90508-26051-00
Washer, Plate (Ref #9)
9
Part #90201-125L6-00
Подшипник (Ref #10)
10
Part #93317-11295-00
Подшипник (Ref #10)
10
Part #93317-11295-00
Подшипник (Ref #10)
10
Part #93317-11295-00
Подшипник (Ref #10)
10
Part #93317-11295-00
Oil seal (Ref #11)
11
Part #931-02123-21-00
Педаль переключения (Ref #12)
12
Part #3D7-18110-00-00
Cover, Shift Pedal (Ref #13)
13
Part #1W6-18113-00-00
Болт диагональный (Ref #14)
14
Part #91314-08020-00
-
23D7-18101-00-00
Ось педали в сборе
1Replaced by 3D7-18101-01-00 Доступно: Нет в наличии
