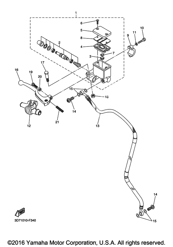
Передний тормозной цилиндр
Передний тормозной цилиндр
Цилиндр тормозной главный (Ref #1)
1
Part #3D7-W2587-00-00
Комплект главного цилиндра (Ref #2)
2
Part #5XT-W0041-00-00
Сепаратор assy (Ref #3)
3
Part #5CG-25715-00-00
Gasket, Diaphragm (Ref #4)
4
Part #55U-25854-00-00
Стакан резервуара (Ref #5)
5
Part #3GM-25852-22-00
Screw, Pan Head (Ref #6)
6
Part #98707-04012-00
Стопор (Ref #7)
7
Part #5CG-2585G-00-00
. PLATE (Ref #8)
8
Part #3GM-2585B-20-00
Кронштейн (Ref #9)
9
Part #56A-25867-00-00
Bolt, Hexagon (Ref #10)
10
Part #970-17060-25-00
Washer, Plate (Ref #11)
11
Part #92907-06600-00
Кожух ручки (Ref #12)
12
Part #1T5-26372-00-00
Шланг тормозной 1 (Ref #13)
13
Part #3D7-25872-00-00
Болт соединяющий (Ref #14)
14
Part #90401-10172-00
Болт соединяющий (Ref #14)
14
Part #90401-10172-00
Болт соединяющий (Ref #14)
14
Part #90401-10172-00
Болт соединяющий (Ref #14)
14
Part #90401-10172-00
Washer, Needle Valve (Ref #15)
15
Part #90430-10005-00
Washer, Needle Valve (Ref #15)
15
Part #90430-10005-00
Washer, Needle Valve (Ref #15)
15
Part #90430-10005-00
Washer, Needle Valve (Ref #15)
15
Part #90430-10005-00
Lever 2 (Ref #16)
16
Part #55Y-83922-02-00
BOLT (Ref #17)
17
Part #90109-06577-00
Гайка U (Ref #18)
18
Part #95617-06100-00
BOLT (Ref #19)
19
Part #90149-06131-00
Гайка (Ref #20)
20
Part #90170-06021-00
Spring, Compression (Ref #21)
21
Part #90501-10312-00
