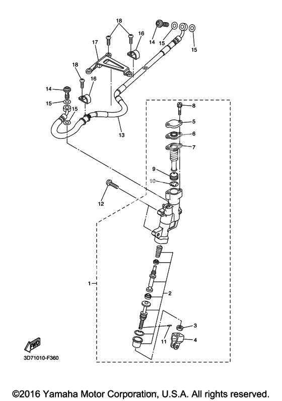
Задний тормозной цилиндр
Задний тормозной цилиндр
Цилиндр тормозной в сборе (Ref #1)
1
Part #3D7-2583V-00-00
Детали тормозного цилиндра, комплект (Ref #2)
2
Part #3D7-W0042-00-00
Гайка (Ref #3)
3
Part #3D7-27218-00-00
Крепление толкателя цилиндра (Ref #4)
4
Part #5UN-27222-00-00
Крышка (Ref #5)
5
Part #5UN-25852-50-00
Пластина диафрагмы (Ref #6)
6
Part #5UN-2585B-00-00
Диафрагма (Ref #7)
7
Part #5UN-25854-00-00
Болт (Ref #8)
8
Part #5UN-27217-00-00
Сепаратор assy (Ref #9)
9
Part #5CG-25715-00-00
Стопор (Ref #10)
10
Part #5CG-2585G-00-00
Pin, brake rod (Ref #11)
11
Part #3KW-27234-00-00
Болт (Ref #12)
12
Part #90111-06059-00
Шланг тормозной 2 (Ref #13)
13
Part #3D7-25873-00-00
Болт соединяющий (Ref #14)
14
Part #90401-10172-00
Болт соединяющий (Ref #14)
14
Part #90401-10172-00
Болт соединяющий (Ref #14)
14
Part #90401-10172-00
Болт соединяющий (Ref #14)
14
Part #90401-10172-00
Крепление шланга 2 (Ref #16)
16
Part #3D7-25876-00-00
Крепление шланга 2 (Ref #16)
16
Part #3D7-25876-00-00
Крепление шланга 2 (Ref #16)
16
Part #3D7-25876-00-00
Крепление шланга 2 (Ref #16)
16
Part #3D7-25876-00-00
Крепление шланга (Ref #17)
17
Part #3D7-25886-00-00
Винт (Ref #18)
18
Part #90159-05053-00
Винт (Ref #18)
18
Part #90159-05053-00
Винт (Ref #18)
18
Part #90159-05053-00
Винт (Ref #18)
18
Part #90159-05053-00
