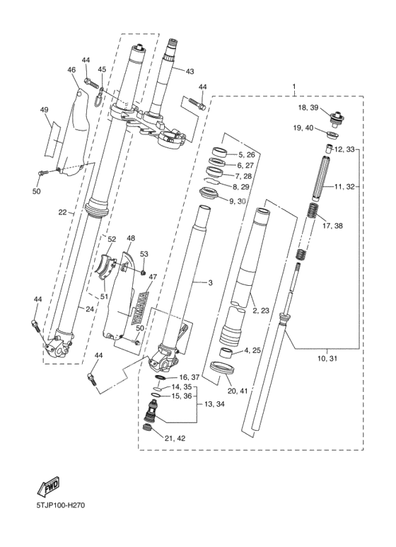
Вилка передней оси
Вилка передней оси
Front Fork Assy (L.h) (Ref #1)
1
Part #5UM-23102-E2-00
Корпус пера (Ref #2)
2
Part #5TJ-23136-C0-00
Внутренняя трубка (Ref #3)
3
Part #5TJ-23120-C1-00
Скользящая втулка, пера вилки (Ref #4)
4
Part #5XE-23171-L0-00
Направляющая втулка, пера вилки 1 (Ref #5)
5
Part #5XE-23125-L0-00
Шайба (Ref #6)
6
Part #5XE-23146-L0-00
Сальник (Ref #7)
7
Part #1C3-23145-L0-00
Кольцо стопорное (Ref #8)
8
Part #5XE-23153-L0-00
Пыльник (Ref #9)
9
Part #5XE-23144-L0-00
Цилиндр пера вилки (Ref #10)
10
Part #5UM-23170-E0-00
Основание пружины (Ref #11)
11
Part #5XE-23142-L0-00
Гайка специальная (Ref #12)
12
Part #5XE-23393-L0-00
Клапан (Ref #13)
13
Part #5TJ-2316A-E0-00
Кольцо уплотнительное (Ref #14)
14
Part #5NY-23188-L0-00
Кольцо уплотнительное (Ref #15)
15
Part #5NY-23147-L0-00
Прокладка (Ref #16)
16
Part #4SS-23158-L0-00
Пружина (K=4.4N/MM) (Ref #17)
17
Part #5TJ-23141-40-00
Гайка корпуса пера (Ref #18)
18
Part #5XE-23111-L0-00
Втулка (Ref #19)
19
Part #5XE-23117-L0-00
Кольцо (Ref #20)
20
Part #1C3-2314F-M0-00
Пробка (Ref #21)
21
Part #3JD-2312G-L0-00
Front Fork Assy (R.h) (Ref #22)
22
Part #5UM-23103-E2-00
Внутренняя трубка (Ref #24)
24
Part #5TJ-23110-C1-00
Кронштейн нижний (Ref #43)
43
Part #5UM-23340-L1-00
Скоба (Ref #45)
45
Part #5TJ-23525-C0-00
Защита правая (Ref #46)
46
Part #5TJ-2315J-C0-00
Эмблема YAMAHA (Ref #47)
47
Part #4XL-2153A-10-00
Защита левая (Ref #48)
48
Part #1C3-2315H-10-00
Болт (Ref #50)
50
Part #3SP-23356-L0-00
Болт (Ref #50)
50
Part #3SP-23356-L0-00
Болт (Ref #50)
50
Part #3SP-23356-L0-00
Болт (Ref #50)
50
Part #3SP-23356-L0-00
Скоба (Ref #51)
51
Part #5XC-23466-L0-00
Скоба (Ref #52)
52
Part #5XC-23467-L0-00
Nut, flange (Ref #53)
53
Part #95780-06500-00
-
15UM-23102-E0-00
Перо вилки левое
1Replaced by 5UM-23102-E2-00 Доступно: Нет в наличии
-
35TJ-23120-C0-00
Трубка внутренняя
1Replaced by 5TJ-23120-C1-00 Доступно: Нет в наличии
-
-
Цена: 2 200.00 р.
Доступно: 2
-
-
175TJ-23141-A0-00
Пружина (K=4.4N/MM)
1Replaced by 5TJ-23141-40-00 Доступно: Нет в наличии
-
225UM-23103-E0-00
Перо вилки правое
1Replaced by 5UM-23103-E2-00 Доступно: Нет в наличии
-
245TJ-23110-C0-00
Трубка внутренняя
1Replaced by 5TJ-23110-C1-00 Доступно: Нет в наличии
-
435UM-23340-L0-00
Ось рулевая (траверса нижняя)
1Replaced by 5UM-23340-L1-00 Доступно: Нет в наличии
