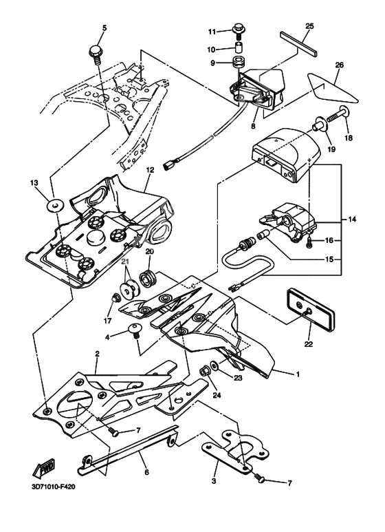
Taillight unit ass`y
Taillight unit ass`y
Крепление номера (Ref #1)
1
Part #3D7-21685-11-00
Крепление (Ref #2)
2
Part #3D7-21640-00-00
Крепление (Ref #3)
3
Part #3D7-2164G-00-00
Болт (Ref #4)
4
Part #90111-06061-00
Болт (Ref #5)
5
Part #90105-06169-00
Крепление (Ref #6)
6
Part #3D7-21688-00-00
BOLT (Ref #7)
7
Part #92012-05010-00
BOLT (Ref #7)
7
Part #92012-05010-00
BOLT (Ref #7)
7
Part #92012-05010-00
BOLT (Ref #7)
7
Part #92012-05010-00
Фонарь задний (сигнал "стоп") (Ref #8)
8
Part #3D7-84710-00-00
GROMMET (Ref #9)
9
Part #90480-10517-00
Втулка (Ref #10)
10
Part #90387-05383-00
Screw, With Washer (Ref #11)
11
Part #90119-05001-00
Основание фонаря (Ref #12)
12
Part #3D7-84516-00-00
Втулка (Ref #13)
13
Part #90387-06190-00
Фонарь подсветки номера (Ref #14)
14
Part #3D7-84745-00-00
Bulb (12V-5W) (Ref #15)
15
Part #1JD-H4347-00-00
Screw,tapping (Ref #16)
16
Part #97707-40012-00
Гайка-колпачок (Ref #17)
17
Part #90176-05054-00
Болт (Ref #18)
18
Part #90111-05010-00
Втулка (Ref #19)
19
Part #90387-06159-00
Демпфер (Ref #20)
20
Part #4WM-83513-00-00
Washer, Plate (Ref #21)
21
Part #90201-061A5-00
REFLECTOR (Ref #22)
22
Part #3Y6-85130-02-00
Washer, Plate (Ref #23)
23
Part #90201-05725-00
Nut, flange (Ref #24)
24
Part #95707-05500-00
Демпфер 1 (Ref #25)
25
Part #3D7-84736-00-00
Демпфер 2 (Ref #26)
26
Part #3D7-84737-00-00
-
13D7-21685-10-00
Крепление номера
1Replaced by 3D7-21685-11-00 Доступно: Нет в наличии
-
154HC-84744-00-00
Лампа (12V-5W)
1Replaced by 4SV-84347-00-00 Доступно: Нет в наличии
-
154SV-84347-00-00
Bulb (12V-5W)
1Replaced by 1JD-H4347-00-00 Доступно: Нет в наличии
-
1697706-04012-00
Screw, Pan Head
2Replaced by 97707-40012-00 Доступно: Нет в наличии
