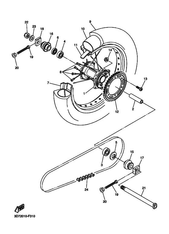
Rear wheel complete assy
Rear wheel complete assy
Ступица колеса (Ref #1)
1
Part #3D7-25311-00-00
Трубка подшипников (Ref #2)
2
Part #5ET-25317-00-00
Подшипник (Ref #3)
3
Part #93306-27206-00
BEARING (Ref #4)
4
Part #93306-07202-00
Сальник (Ref #5)
5
Part #93106-30001-00
Сальник (Ref #6)
6
Part #93106-30045-00
Обод колеса (17M/C X MT4.00) (Ref #7)
7
Part #94440-17002-00
Комплект спиц, заднего колеса (Ref #8)
8
Part #32D-25304-10-00
Покрышка (140/70R17 M/C 66H BT090R) (Ref #9)
9
Part #94114-17008-00
Камера (140A160/70D-R17 M/C TR-4) (Ref #10)
10
Part #94214-17003-00
Подложка камеры (MT4.00X17) (Ref #11)
11
Part #94314-17035-00
Звёздочка (42T) (Ref #12)
12
Part #32C-25442-00-00
Болт (Ref #13)
13
Part #90111-08030-00
Гайка, самоблокирующаяся (Ref #14)
14
Part #901-85081-69-00
Втулка левая (Ref #15)
15
Part #3D7-2530S-00-00
Втулка правая (Ref #16)
16
Part #3D7-2531S-00-00
Натяжитель цепи левый (Ref #17)
17
Part #1C3-25388-H0-00
Натяжитель цепи правый (Ref #18)
18
Part #1C3-25389-H0-00
Болт (Ref #19)
19
Part #90101-08006-00
Болт (Ref #19)
19
Part #90101-08006-00
Болт (Ref #19)
19
Part #90101-08006-00
Болт (Ref #19)
19
Part #90101-08006-00
Гайка (Ref #20)
20
Part #90179-08019-00
Гайка (Ref #20)
20
Part #90179-08019-00
Гайка (Ref #20)
20
Part #90179-08019-00
Гайка (Ref #20)
20
Part #90179-08019-00
Ось колеса (Ref #21)
21
Part #3D7-25381-00-00
Гайка самоконтрящаяся (Ref #22)
22
Part #90185-20002-00
Шайба (Ref #23)
23
Part #90201-20020-00
Цепь (D.I.D.520V-108LE) (Ref #24)
24
Part #94582-02108-00
-
1495602-08200-00
Гайка, самоблокирующаяся
6Replaced by 901-85081-69-00 Доступно: Нет в наличии
