Starter
Starter
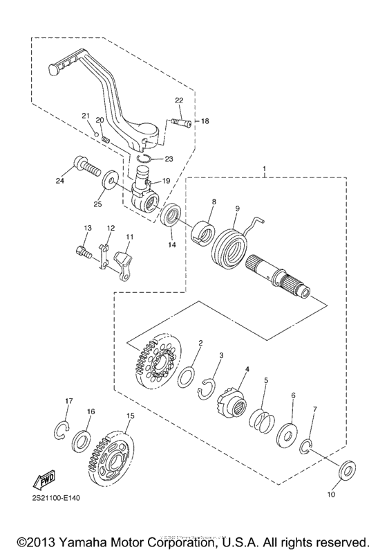
Вал кикстартера в сборе (Ref #1)
1
Part #2S2-15601-00-00
Washer, Plate (Ref #2)
2
Part #90201-20685-00
Circlip (Ref #3)
3
Part #93410-20038-00
Колесо зубчатое (Ref #4)
4
Part #2S2-15671-00-00
Пружина (Ref #5)
5
Part #90501-160A2-00
Washer, Plate (Ref #6)
6
Part #90201-167P7-00
Кольцо стопорное (Ref #7)
7
Part #99009-16400-00
Guide (Ref #8)
8
Part #5GR-15664-00-00
Пружина (Ref #9)
9
Part #90508-305B0-00
Washer, Plate (Ref #10)
10
Part #90201-162H4-00
Стопор (Ref #11)
11
Part #5SG-15668-00-00
Шайба блокирующая (Ref #12)
12
Part #214-15686-00-00
Болт (Ref #13)
13
Part #97D95-06016-00
Oil seal (Ref #14)
14
Part #93102-20814-00
Gear, Kick Idle (Ref #15)
15
Part #5TA-15651-00-00
Circlip (Ref #17)
17
Part #99009-20400-00
KICK CRANK ASSY (Ref #18)
18
Part #2S2-15620-01-00
Ботинок колена (Ref #19)
19
Part #5XD-15621-00-00
Пружина (Ref #20)
20
Part #90501-147A5-00
Ball 7-32 (Ref #21)
21
Part #93507-32031-00
Screw, Pan Head (Ref #22)
22
Part #90152-06010-00
Washer, Needle Valve (Ref #23)
23
Part #93210-17570-00
Болт (Ref #24)
24
Part #90110-08097-00
Шайба (Ref #25)
25
Part #90201-08047-00
