Interruptor manillar&palanc
Interruptor manillar&palanc
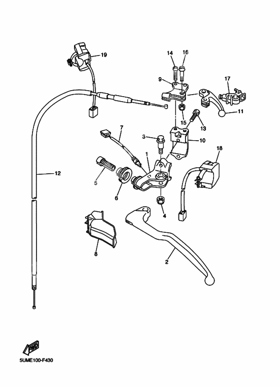
Крепление ручки (Ref #1)
1
Part #5TJ-82911-80-00
Ручка левая (Ref #2)
2
Part #5TJ-83912-82-00
Болт (Ref #3)
3
Part #90109-06034-00
Гайка (Ref #4)
4
Part #5LP-84126-10-00
Винт регулировочный (Ref #5)
5
Part #5HD-26337-00-00
Гайка регулировочного винта (Ref #6)
6
Part #5HD-83951-00-00
Switch (Ref #7)
7
Part #5TJ-82917-02-00
Кожух ручки (Ref #8)
8
Part #5TJ-26372-80-00
Крепление рычага подсоса (Ref #9)
9
Part #5XD-82946-01-00
Крепление ручки (Ref #10)
10
Part #5XD-82913-01-00
Рычаг "подсоса" (Ref #11)
11
Part #5TA-83941-00-00
Кабель подсоса (Ref #12)
12
Part #5UM-26334-E0-00
BOLT (Ref #13)
13
Part #970-95050-16-00
Болт (Ref #14)
14
Part #92012-05012-00
Гайка U (Ref #15)
15
Part #95617-05100-00
Винт (Ref #16)
16
Part #90149-05162-00
Кожух (Ref #17)
17
Part #5TA-26339-00-00
Кнопка (Ref #18)
18
Part #5UM-83976-E2-00
Кнопка (Ref #19)
19
Part #5UM-83976-F2-00
-
95XD-82946-00-00
Крепление рычага подсоса
1Replaced by 5XD-82946-01-00 Доступно: Нет в наличии
-
105XD-82913-00-00
Крепление ручки
1Replaced by 5XD-82913-01-00 Доступно: Нет в наличии
-
185UM-83976-E1-00
Переключатель остановки двигателя
1Replaced by 5UM-83976-E2-00 Доступно: Нет в наличии
