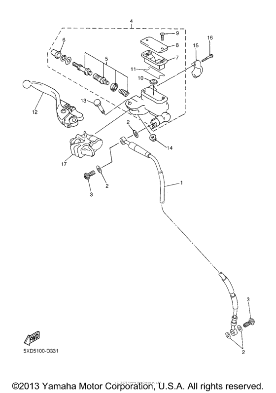
Передний тормозной цилиндр
Передний тормозной цилиндр
Шланг тормозной 1 (Ref #1)
1
Part #5TJ-25872-80-00
Болт соединяющий (Ref #3)
3
Part #90401-10172-00
Болт соединяющий (Ref #3)
3
Part #90401-10172-00
Болт соединяющий (Ref #3)
3
Part #90401-10172-00
Болт соединяющий (Ref #3)
3
Part #90401-10172-00
Цилиндр тормозной главный, комплект (Ref #4)
4
Part #5XE-W2587-00-00
Cylinder Kit, Master (Ref #5)
5
Part #5NY-W0041-01-00
Ботинок главного цилиндра (Ref #6)
6
Part #5NY-25868-00-00
Диафрагма резервуара (Ref #7)
7
Part #5XE-25854-00-00
Крышка (Ref #8)
8
Part #5MV-25852-01-00
Screw, Pan Head (Ref #9)
9
Part #98707-04012-00
Сепаратор assy (Ref #10)
10
Part #5CG-25715-00-00
Плавающий элемент резервуара (Ref #11)
11
Part #5XE-25853-00-00
Lever 2 (Ref #12)
12
Part #1C3-83922-51-00
Болт рычага (Ref #13)
13
Part #5MV-2589F-00-00
Nut, flange (Ref #14)
14
Part #95780-06500-00
Кронштейн (Ref #15)
15
Part #5MV-25867-00-00
Болт (Ref #16)
16
Part #5MV-25833-00-00
Cover, Handle Lever 1 (Ref #17)
17
Part #5NY-26372-00-00
-
45XE-W2587-10-00
Цилиндр тормозной главный, комплект
1Replaced by 5XE-W2587-00-00 Доступно: Нет в наличии
-
55NY-W0041-00-00
Комплект главного цилиндра
1Replaced by 5NY-W0041-01-00 Доступно: Нет в наличии
-
121C3-83922-50-00
Ручка тормоза
1Replaced by 1C3-83922-51-00 Доступно: Нет в наличии
