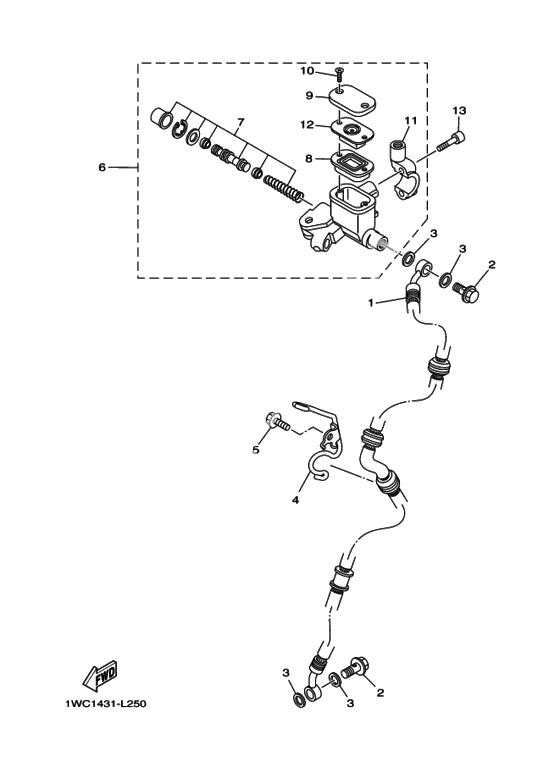
Передний тормозной цилиндр
Передний тормозной цилиндр
Hose, Brake 1 (Ref #1)
1
Part #1WC-F5872-00-00
Болт соединяющий (Ref #2)
2
Part #90401-10810-00
Болт соединяющий (Ref #2)
2
Part #90401-10810-00
Болт соединяющий (Ref #2)
2
Part #90401-10810-00
Болт соединяющий (Ref #2)
2
Part #90401-10810-00
BOLT (Ref #5)
5
Part #95027-06010-00
Master Cylinder Assy (Ref #6)
6
Part #5P0-F583T-03-00
Cylinder Kit, Master (Ref #7)
7
Part #5P0-W0041-00-00
Diaphragm, Reservoir (Ref #8)
8
Part #5P0-F5854-00-00
Cap, Reservoir (Ref #9)
9
Part #5P0-F5852-00-00
Screw, Pan Head (Ref #10)
10
Part #98707-04012-00
Bracket, Master Cylinder (Ref #11)
11
Part #5TL-F5867-01-00
Bush,diaphragm (Ref #12)
12
Part #5P0-F5855-00-00
BOLT (Ref #13)
13
Part #91317-06025-00
