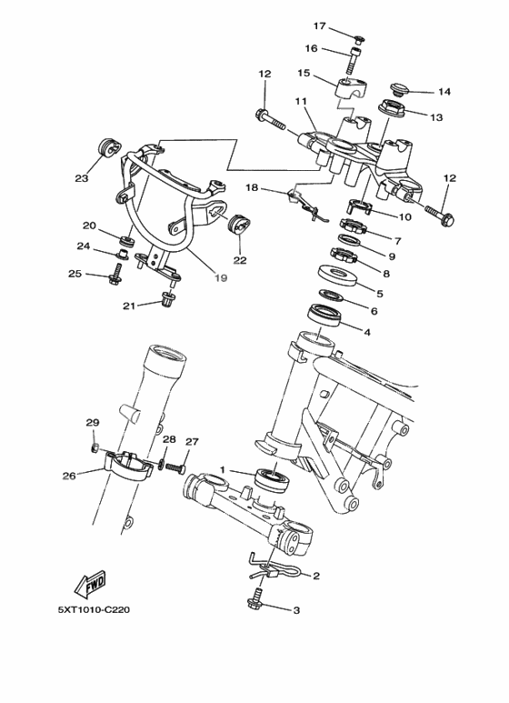
Steering
Steering
BEARING (Ref #1)
1
Part #93332-00079-00
Держатель шланга тормоза 2 (Ref #2)
2
Part #5XT-25876-00-00
BOLT (Ref #3)
3
Part #95817-06012-00
Крышка 1 (Ref #5)
5
Part #1J7-23415-00-00
Washer, Plate (Ref #6)
6
Part #90201-256K5-00
Nut, flange (Ref #7)
7
Part #901-79258-11-00
Nut, flange (Ref #8)
8
Part #90179-25003-00
Nut, flange (Ref #8)
8
Part #901-79250-04-00
Washer, Plate (Ref #9)
9
Part #90202-26142-00
Washer, special (Ref #10)
10
Part #3YF-23418-00-00
Crown, Handle (Ref #11)
11
Part #5XT-23435-01-00
BOLT (Ref #12)
12
Part #95024-08040-00
BOLT (Ref #12)
12
Part #95024-08040-00
BOLT (Ref #12)
12
Part #95024-08040-00
BOLT (Ref #12)
12
Part #95024-08040-00
Nut, flange (Ref #13)
13
Part #90179-22007-00
CAP (Ref #14)
14
Part #5HP-2319U-00-00
Крышка крепления руля (чёрная) (Ref #15)
15
Part #4H7-23441-01-98
Болт (Ref #16)
16
Part #91317-08030-00
Заглушка (Ref #17)
17
Part #341-23469-00-00
Stay 1 (Ref #18)
18
Part #5XT-2317E-00-00
Stay, headlight (Ref #19)
19
Part #5XT-23174-00-00
GROMMET (Ref #20)
20
Part #90480-14229-00
GROMMET (Ref #21)
21
Part #90480-13011-00
Damper, Flasher 1 (Ref #22)
22
Part #5XT-83321-20-00
Damper, Flasher 1 (Ref #23)
23
Part #5XT-83321-30-00
COLLAR (Ref #24)
24
Part #90387-07391-00
Держатель кабеля (Ref #25)
25
Part #5XT-23317-00-00
Bolt, Hexagon (Ref #25)
25
Part #970-17060-25-00
BOLT (Ref #27)
27
Part #98507-05018-00
Washer, Plate (Ref #28)
28
Part #92907-05600-00
Nut, flange (Ref #29)
29
Part #95317-05600-00
-
115XT-23435-00-00
Crown, Handle
1Replaced by 5XT-23435-01-00 Доступно: Нет в наличии
-
2590119-06097-00
Screw, With Washer
2Replaced by 970-17060-25-00 Доступно: Нет в наличии
-
2590119-06172-00
Screw, With Washer
0Replaced by 5XT-23317-00-00 Доступно: Нет в наличии
