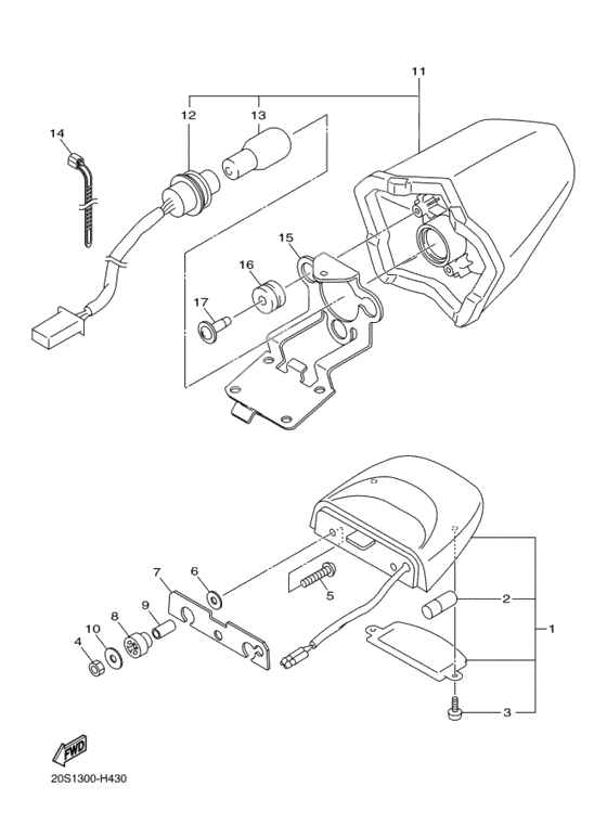
Taillight unit ass`y
Taillight unit ass`y
Фонарь подсветки номера (Ref #1)
1
Part #5VX-84745-01-00
Bulb (12V-5W) (Ref #2)
2
Part #1JD-H4347-00-00
Screw,tapping (Ref #3)
3
Part #97707-40012-00
Гайка U (Ref #4)
4
Part #95617-05100-00
Болт (Ref #5)
5
Part #90111-05010-00
Гайка (Ref #6)
6
Part #90201-05043-00
Демпфер (Ref #7)
7
Part #20S-84753-00-00
Амортизатор (Ref #8)
8
Part #3F9-84553-00-00
Втулка (Ref #9)
9
Part #903-87050-49-00
Washer, Plate (Ref #10)
10
Part #90201-05025-00
Фонарь задний (Ref #11)
11
Part #20S-84710-00-00
Патрон лампы (Ref #12)
12
Part #20S-84735-00-00
Bulb, Flasher (12V-21/5W) (Ref #13)
13
Part #3P6-83331-10-00
CLAMP (Ref #14)
14
Part #90464-25004-00
Bracket, taillight (Ref #15)
15
Part #20S-84519-01-00
GROMMET (Ref #16)
16
Part #90480-18276-00
Screw, Pan Head (Ref #17)
17
Part #901-64050-01-00
-
24HC-84744-00-00
Лампа (12V-5W)
1Replaced by 4SV-84347-00-00 Доступно: Нет в наличии
-
1520S-84519-00-00
Bracket, taillight
1Replaced by 20S-84519-01-00 Доступно: Нет в наличии
