Elektrische ausruestung 1
Elektrische ausruestung 1
-
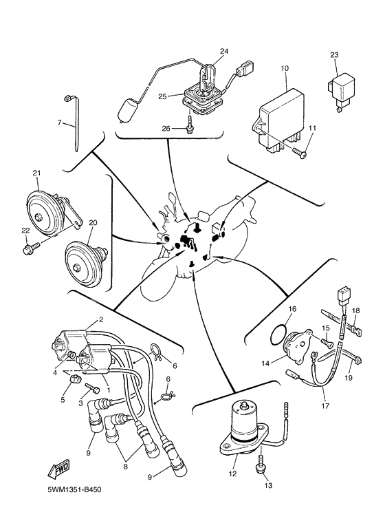
015EA-82310-10-00
Катушка зажигания
1Replaced by 5EA-82310-11-00 Доступно: Нет в наличии
-
025EA-82320-10-00
Катушка зажигания
1Replaced by 5EA-82310-11-00 Доступно: Нет в наличии
-
083NS-82370-00-00
Колпачок высоковольтный
2Replaced by 5EL-82370-00-00 Доступно: Нет в наличии
-
125G2-85720-00-00
Oil Lvl Gauge Asy
1Replaced by 2KW-85720-00-00 Доступно: Нет в наличии
-
1990464-13077-00
Хомут пластмассовый
1Replaced by 90464-15195-00 Доступно: Нет в наличии
-
233GM-83350-01-00
Flasher Relay Assy
1Replaced by 3GM-83350-02-00 Доступно: Нет в наличии
