Electrical
Electrical
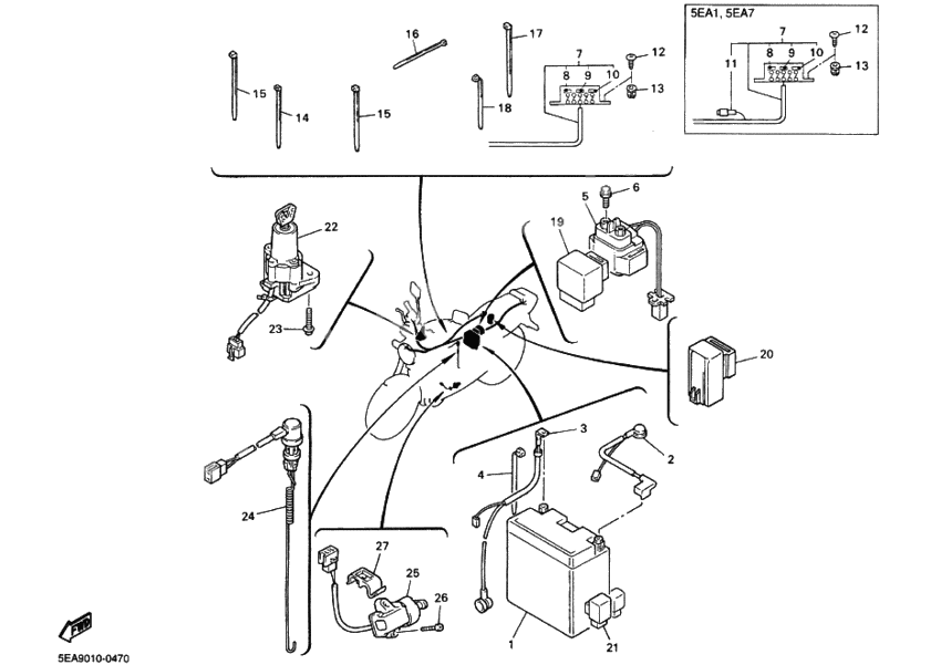
Катушка высоковольтная (Ref #1)
1
Part #5EA-82310-11-00
Болт (Ref #3)
3
Part #97080-06070-00
Nut, flange (Ref #4)
4
Part #95707-06500-00
Демпфер (Ref #5)
5
Part #4BR-82317-00-00
Clamp (3Y2) (Ref #7)
7
Part #90464-16039-00
CLAMP (Ref #8)
8
Part #90464-15195-00
IGNITOR UNIT ASSY (Ref #11)
11
Part #5EA-82305-30-00
Винт, бандаж (Ref #12)
12
Part #98907-06012-00
Oil Lvl Gauge Asy (Ref #13)
13
Part #2KW-85720-00-00
BOLT (Ref #14)
14
Part #90105-06696-00
Нейтральный переключатель (Ref #15)
15
Part #1L9-82540-00-00
BOLT (Ref #16)
16
Part #90149-05245-00
Washer, Needle Valve (Ref #17)
17
Part #93210-29196-00
Wire, Sub Lead (Ref #18)
18
Part #4KG-82509-00-00
CLAMP (Ref #19)
19
Part #80L-26397-00-00
Horn (Ref #21)
21
Part #4KG-83371-01-00
Horn (Ref #22)
22
Part #4KG-83371-11-00
BOLT (Ref #23)
23
Part #95817-06012-00
Flasher Relay Assy (Ref #24)
24
Part #3GM-83350-02-00
Sender Unit Assy, Fuel Meter (Ref #25)
25
Part #4KG-85752-01-00
Gasket, Sender Unit (Ref #26)
26
Part #5G3-85753-00-00
Screw, With Washer (Ref #27)
27
Part #90119-05071-00
-
15EA-82310-10-00
Катушка зажигания
1Replaced by 5EA-82310-11-00 Доступно: Нет в наличии
-
25EA-82320-10-00
Катушка зажигания
1Replaced by 5EA-82310-11-00 Доступно: Нет в наличии
-
93NS-82370-00-00
Колпачок высоковольтный
4Replaced by 5EL-82370-00-00 Доступно: Нет в наличии
-
135G2-85720-00-00
Oil Lvl Gauge Asy
1Replaced by 2KW-85720-00-00 Доступно: Нет в наличии
-
2090464-13077-00
Хомут пластмассовый
1Replaced by 90464-15195-00 Доступно: Нет в наличии
-
243GM-83350-01-00
Flasher Relay Assy
1Replaced by 3GM-83350-02-00 Доступно: Нет в наличии
