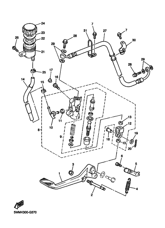
Задний тормозной цилиндр
Задний тормозной цилиндр
Pedal, Brake (Ref #1)
1
Part #2PN-27211-00-00
Pin, Pedal Crank (Ref #2)
2
Part #4KG-27813-00-00
Гайка U (Ref #3)
3
Part #95680-08100-00
Пружина (Ref #4)
4
Part #90506-20023-00
Крепление 1 (Ref #5)
5
Part #5UX-27432-00-00
BOLT (Ref #6)
6
Part #97017-06012-00
Болт (Ref #7)
7
Part #95024-06010-00
Болт (Ref #7)
7
Part #95024-06010-00
Болт (Ref #7)
7
Part #95024-06010-00
Болт (Ref #7)
7
Part #95024-06010-00
Цилиндр тормозной в сборе (Ref #8)
8
Part #5WM-2583V-00-00
Детали тормозного цилиндра, комплект (Ref #9)
9
Part #56P-25808-50-00
Штуцер (Ref #10)
10
Part #5VX-2582A-00-00
Кольцо уплотнительное (Ref #11)
11
Part #4BP-2585F-01-00
Наконечник толкателя гидроцилиндра (Ref #12)
12
Part #4BP-27222-02-00
Гайка (Ref #13)
13
Part #90170-08010-00
Гайка (Ref #13)
13
Part #90170-08010-00
Гайка (Ref #13)
13
Part #90170-08010-00
Гайка (Ref #13)
13
Part #90170-08010-00
Трубка расширительного бачка (Ref #14)
14
Part #5WM-25895-00-00
Хомут (Ref #15)
15
Part #90467-090A1-00
Болт диагональный (Ref #16)
16
Part #91314-08020-00
Штифт, вилкообразный наконечник (Ref #17)
17
Part #90240-08124-00
Washer, Plate (Ref #19)
19
Part #90201-08083-00
. PIN (Ref #20)
20
Part #91490-20015-00
. PIN (Ref #20)
20
Part #91490-20025-00
Бак резервуарный (Ref #21)
21
Part #5VS-25894-00-00
Diaphragm, Reservoir (Ref #22)
22
Part #5SL-25854-00-00
Втулка диафрагмы (Ref #23)
23
Part #5SL-25855-00-00
Стакан резервуара (Ref #24)
24
Part #5SL-25852-00-00
Хомут (Ref #25)
25
Part #90467-090A0-00
Screw, With Washer (Ref #26)
26
Part #90119-06029-00
Шланг тормозной 5 (Ref #27)
27
Part #5UX-2581K-00-00
BOLT (Ref #28)
28
Part #90401-10159-00
BOLT (Ref #28)
28
Part #90401-10159-00
BOLT (Ref #28)
28
Part #90401-10159-00
BOLT (Ref #28)
28
Part #90401-10159-00
Washer, Needle Valve (Ref #29)
29
Part #90430-10005-00
Washer, Needle Valve (Ref #29)
29
Part #90430-10005-00
Washer, Needle Valve (Ref #29)
29
Part #90430-10005-00
Washer, Needle Valve (Ref #29)
29
Part #90430-10005-00
Держатель шланга тормоза 2 (Ref #30)
30
Part #4FM-25876-01-00
Держатель шланга тормоза (Ref #31)
31
Part #4BH-25886-02-00
-
95SL-W0042-50-00
Комплект главного цилиндра
1Replaced by 56P-25808-50-00 Доступно: Нет в наличии
-
114BP-2585F-00-00
Washer, Needle Valve
1Replaced by 4BP-2585F-01-00 Доступно: Нет в наличии
