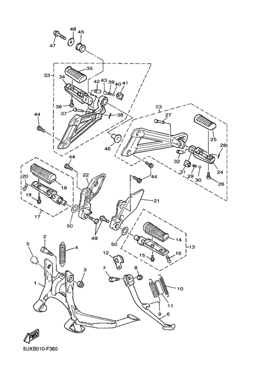
Stand, Footrest
Stand, Footrest
Stand, main (Ref #1)
1
Part #5UX-27111-00-00
BOLT (Ref #2)
2
Part #90109-101E6-00
Nut, Self-Locking (Ref #3)
3
Part #90185-10091-00
Пружина натяжения (Ref #4)
4
Part #90506-45278-00
Стопор, главная подставка (Ref #5)
5
Part #116-27114-00-00
Подставка боковая (Ref #6)
6
Part #5EA-27311-00-00
BOLT (Ref #7)
7
Part #90109-104E6-00
Гайка, самоблокирующаяся (Ref #8)
8
Part #90185-10037-00
Пружина натяжения (Ref #9)
9
Part #90506-26225-00
Пружина натяжения (Ref #10)
10
Part #90506-18168-00
Трубка (L60) (Ref #11)
11
Part #90445-170K9-00
Пластина боковой подставки (Ref #12)
12
Part #4FM-27315-00-00
Front Footrest Assy (Left) (Ref #13)
13
Part #5EA-27410-00-00
Cover, Footrest (Ref #14)
14
Part #4BP-27413-00-00
Screw, Pan Head (Ref #15)
15
Part #98507-05014-00
BOLT (Ref #16)
16
Part #901-09082-24-00
Front Footrest Assy (Right) (Ref #17)
17
Part #5EA-27420-00-00
Крепление передней левой подножки (Ref #21)
21
Part #4KG-27442-02-00
Крепление передней правой подножки (Ref #22)
22
Part #4KG-27443-02-00
Rear Footrest Assy 1 (Ref #23)
23
Part #5UX-27430-21-00
Подножка задняя левая (Ref #24)
24
Part #5LV-27431-01-00
Штифт, вилкообразный наконечник (Ref #27)
27
Part #91701-06040-00
. PIN (Ref #28)
28
Part #91490-20025-00
. PIN (Ref #28)
28
Part #91490-20015-00
Пружина (Ref #29)
29
Part #90501-15001-00
Ball (Ref #30)
30
Part #93501-04011-00
Шайба специальная (Ref #31)
31
Part #5JJ-27437-01-00
Втулка (Ref #32)
32
Part #90387-06014-00
Rear Footrest Assy 2 (Ref #33)
33
Part #5UX-27440-21-00
Подножка задняя правая (Ref #34)
34
Part #5LV-27441-01-00
Шайба (Ref #43)
43
Part #5UX-27445-00-00
Втулка демпфирующая (Ref #45)
45
Part #36Y-27424-01-00
COLLAR (Ref #46)
46
Part #90387-10636-00
BOLT (Ref #47)
47
Part #90109-100G0-00
Шайба (Ref #48)
48
Part #90201-10669-00
Bolt,hex. Socket But (Ref #49)
49
Part #901-11100-17-00
Шайба волнистая (Ref #50)
50
Part #90206-17084-00
Шайба волнистая (Ref #50)
50
Part #90206-17084-00
Шайба волнистая (Ref #50)
50
Part #90206-17084-00
Шайба волнистая (Ref #50)
50
Part #90206-17084-00
-
54X4-27114-00-00
Стопор, главная подставка
1Replaced by 116-27114-00-00 Доступно: Нет в наличии
-
1590157-05079-00
Screw, Pan Head
2Replaced by 98507-05014-00 Доступно: Нет в наличии
-
235UX-27430-20-00
Rear Footrest Assy 1
1Replaced by 5UX-27430-21-00 Доступно: Нет в наличии
-
335UX-27440-20-00
Rear Footrest Assy 2
1Replaced by 5UX-27440-21-00 Доступно: Нет в наличии
-
4990109-103A9-00
Bolt,hex. Socket But
2Replaced by 901-11100-17-00 Доступно: Нет в наличии
