Equipo electrico
Equipo electrico
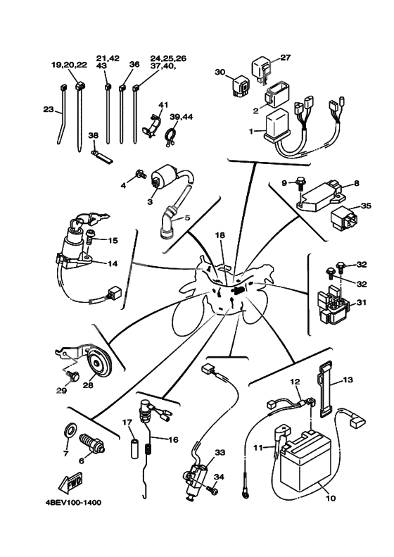
Коммутатор (Ref #1)
1
Part #3GX-85540-00-00
BAND (Ref #2)
2
Part #3RW-85546-00-00
BOLT (Ref #3)
3
Part #90105-06696-00
Plug Cap Assy (Ref #5)
5
Part #5EL-82370-00-00
Нейтральный переключатель (Ref #6)
6
Part #4KM-82540-00-00
Washer, Needle Valve (Ref #7)
7
Part #90430-10148-00
Реле-регулятор (Ref #8)
8
Part #3TJ-81960-02-00
BOLT (Ref #9)
9
Part #90105-060A0-00
Battery assy (Ref #10)
10
Part #BTY-GTZ7S-00-00
Battery assy (Ref #10)
10
Part #YTZ-7SHE0-00-00
Ytz7S He Yuasa Batt (Ref #10)
10
Part #YTZ-7S000-00-00
Провод, плюс (Ref #11)
11
Part #5BT-82115-00-00
Wire, Minus Lead (Ref #12)
12
Part #4JG-82116-10-00
Обвязка, аккумулятор (Ref #13)
13
Part #22F-82131-00-00
Main Switch Steering Lock (Ref #14)
14
Part #58E-82501-00-00
BOLT (Ref #15)
15
Part #90149-06308-00
Стопорный переключатель (Ref #16)
16
Part #5BT-82530-00-00
Hose(4Cs) (Ref #17)
17
Part #90446-15381-00
Wire Harness Assy (Ref #18)
18
Part #4BE-82590-10-00
Комплект переключателяя (Ref #19)
19
Part #25G-83936-01-00
BAND (Ref #21)
21
Part #1UA-82591-00-00
CLAMP (Ref #23)
23
Part #80L-26397-00-00
Clamp 1 (Ref #24)
24
Part #5Y9-12491-00-00
Реле сигналов поворота (Ref #27)
27
Part #4VR-83350-00-00
Horn (Ref #28)
28
Part #3RW-83371-11-00
BOLT (Ref #29)
29
Part #95817-06010-00
Relay Assy (3Rw-00) (Ref #30)
30
Part #3RW-81950-00-00
Реле (Ref #31)
31
Part #4JG-81940-12-00
BOLT (Ref #32)
32
Part #95027-06008-00
BOLT (Ref #32)
32
Part #95027-06008-00
BOLT (Ref #32)
32
Part #95027-06008-00
BOLT (Ref #32)
32
Part #95027-06008-00
Switch, side stand (Ref #33)
33
Part #3LD-82566-60-00
Screw, Pan Head (Ref #34)
34
Part #98507-05016-00
Relay Assy (Aca12115-1) (Ref #35)
35
Part #29U-81950-93-00
CLAMP (Ref #38)
38
Part #90465-06376-00
Clamp (3Y2) (Ref #39)
39
Part #90464-16039-00
CLAMP (Ref #41)
41
Part #90464-10190-00
-
33KJ-82310-10-00
Катушка зажигания
1Replaced by 95027-06016-00 Доступно: Нет в наличии
-
34BE-82310-10-00
Катушка зажигания
1Replaced by 3KJ-82310-10-00 Доступно: Нет в наличии
-
53NS-82370-00-00
Колпачок высоковольтный
1Replaced by 5EL-82370-00-00 Доступно: Нет в наличии
-
104TP-82100-10-00
Ytz7S He Yuasa Batt
1Replaced by YTZ-7SHE0-00-00 Доступно: Нет в наличии
-
133L8-82131-01-00
Обвязка, аккумулятор
1Replaced by 22F-82131-00-00 Доступно: Нет в наличии
-
1990464-12045-00
Band, Switch Cord
1Replaced by 25G-83936-01-00 Доступно: Нет в наличии
