Equipo electrico
Equipo electrico
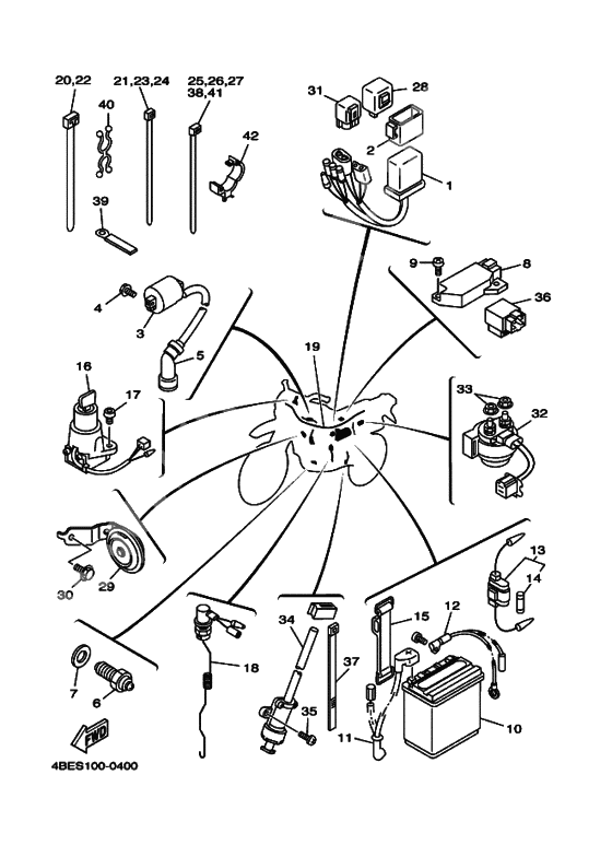
C.d.i. Unit Assembly (Ref #1)
1
Part #4BE-85540-01-00
BAND (Ref #2)
2
Part #3RW-85546-00-00
BOLT (Ref #3)
3
Part #90105-06696-00
Plug Cap Assy (Ref #5)
5
Part #5EL-82370-00-00
Нейтральный переключатель (Ref #6)
6
Part #4KM-82540-00-00
Washer, Needle Valve (Ref #7)
7
Part #90430-10148-00
Реле-регулятор (Ref #8)
8
Part #3TJ-81960-02-00
Screw, Pan Head (Ref #9)
9
Part #98517-06025-00
Ytx7Lbs Yuasa Batte (Ref #10)
10
Part #GTX-7LBS0-00-00
Ytx7Lbs Yuasa Batte (Ref #10)
10
Part #YTX-7LBS0-00-00
Провод, плюс (Ref #11)
11
Part #4JG-82115-00-00
Wire, Minus Lead (Ref #12)
12
Part #4JG-82116-00-00
Fuse Holder Assembly (Ref #13)
13
Part #2TV-82150-02-00
Fuse (15a) (Ref #14)
14
Part #4X7-82151-00-00
Обвязка, аккумулятор (Ref #15)
15
Part #22F-82131-00-00
Main Switch Steering Lock (Ref #16)
16
Part #2HV-82501-00-00
BOLT (Ref #17)
17
Part #90149-06308-00
Стопорный переключатель (Ref #18)
18
Part #5BT-82530-00-00
Wire Harness Assembly (Ref #19)
19
Part #4BE-82590-01-00
CLAMP (Ref #20)
20
Part #90464-20258-00
BAND (Ref #21)
21
Part #1UA-82591-00-00
Реле сигналов поворота (Ref #28)
28
Part #4VR-83350-00-00
Horn (Ref #29)
29
Part #3RW-83371-11-00
BOLT (Ref #30)
30
Part #95817-06010-00
Relay Assy (3Rw-00) (Ref #31)
31
Part #3RW-81950-00-00
Реле (Ref #32)
32
Part #4KD-81940-00-00
Nut, flange (Ref #33)
33
Part #95707-06500-00
Switch, side stand (Ref #34)
34
Part #3LD-82566-40-00
Screw, Pan Head (Ref #35)
35
Part #98507-05016-00
Relay Assy (Aca12115-1) (Ref #36)
36
Part #29U-81950-93-00
CLAMP (Ref #39)
39
Part #90465-06376-00
CLAMP (Ref #40)
40
Part #90464-16115-00
CLAMP (Ref #42)
42
Part #90464-10190-00
-
33KJ-82310-10-00
Катушка зажигания
1Replaced by 95027-06016-00 Доступно: Нет в наличии
-
34BE-82310-10-00
Катушка зажигания
1Replaced by 3KJ-82310-10-00 Доступно: Нет в наличии
-
53NS-82370-00-00
Колпачок высоковольтный
1Replaced by 5EL-82370-00-00 Доступно: Нет в наличии
-
104BE-82100-11-00
Ytx7Lbs Yuasa Batte
1Replaced by YTX-7LBS0-00-00 Доступно: Нет в наличии
-
153L8-82131-01-00
Обвязка, аккумулятор
1Replaced by 22F-82131-00-00 Доступно: Нет в наличии
-
284BE-83350-00-00
Flasher Relay Assy
1Replaced by 4VR-83350-00-00 Доступно: Нет в наличии
