Пульт управления рулевой & Рычаг
Пульт управления рулевой & Рычаг
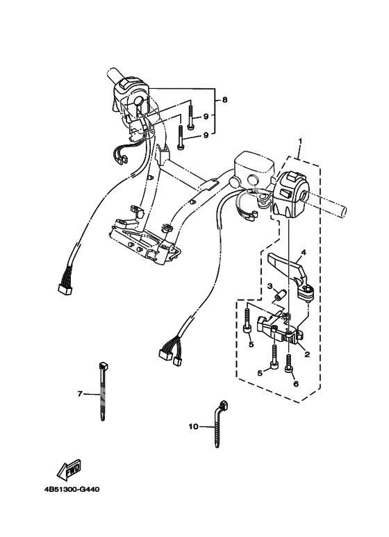
スイツチ,ハンドル 4 (Ref #1)
1
Part #4B5-83972-02-00
Holder, adjusting (Ref #2)
2
Part #5RB-26396-01-00
Plug, Blind (Ref #3)
3
Part #5RB-13569-00-00
Lever Lock Assy (Ref #4)
4
Part #5VU-83930-00-00
BOLT (Ref #5)
5
Part #91317-05055-00
BOLT (Ref #5)
5
Part #91317-05055-00
BOLT (Ref #5)
5
Part #91317-05055-00
BOLT (Ref #5)
5
Part #91317-05055-00
Screw, Pan Head (Ref #6)
6
Part #98517-05012-00
BAND (Ref #7)
7
Part #1UA-82591-00-00
Кнопка (Ref #8)
8
Part #4B5-83963-00-00
Screw, Pan Head (Ref #9)
9
Part #98507-05050-00
Screw, Pan Head (Ref #9)
9
Part #98507-05050-00
Screw, Pan Head (Ref #9)
9
Part #98507-05050-00
Screw, Pan Head (Ref #9)
9
Part #98507-05050-00
CLAMP (Ref #10)
10
Part #90464-15195-00
-
790465-12356-00
Хомут пластмассовый
3Replaced by 1UA-82591-00-00 Доступно: Нет в наличии
