Электрооборудование 2
Электрооборудование 2
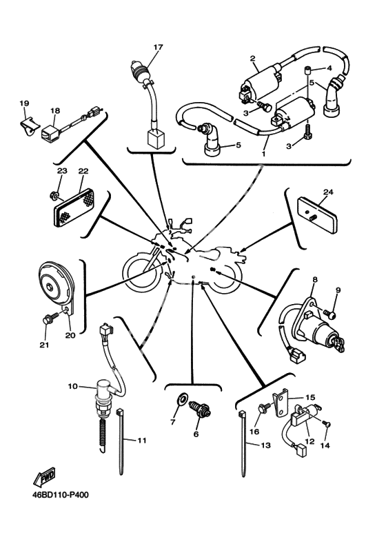
Катушка зажигания (Ref #1)
1
Part #4DN-82320-01-00
Hose (L310) (Ref #3)
3
Part #90445-072G8-00
Hose (L310) (Ref #3)
3
Part #90445-072G8-00
Hose (L310) (Ref #3)
3
Part #90445-072G8-00
Hose (L310) (Ref #3)
3
Part #90445-072G8-00
BOLT (Ref #3)
3
Part #90101-05396-00
BOLT (Ref #3)
3
Part #90101-05396-00
BOLT (Ref #3)
3
Part #90101-05396-00
BOLT (Ref #3)
3
Part #90101-05396-00
Plug Cap Assy (Ref #4)
4
Part #5EL-82370-00-00
Нейтральный переключатель (Ref #5)
5
Part #4KM-82540-00-00
Нейтральный переключатель (Ref #5)
5
Part #4KM-82540-00-00
Нейтральный переключатель (Ref #5)
5
Part #4KM-82540-00-00
Нейтральный переключатель (Ref #5)
5
Part #4KM-82540-00-00
Washer, Needle Valve (Ref #7)
7
Part #90430-10148-00
Главный переключатель (Ref #8)
8
Part #46B-82510-00-00
BOLT (Ref #9)
9
Part #90149-06308-00
Включатель сигнала "стоп" (Ref #10)
10
Part #5PW-82530-00-00
BAND (Ref #11)
11
Part #1UA-82591-00-00
Switch, side stand (Ref #12)
12
Part #3LD-82566-60-00
Screw, Pan Head (Ref #14)
14
Part #98507-05014-00
Panel, Switch (Ref #15)
15
Part #2UJ-82565-00-00
BOLT (Ref #16)
16
Part #95817-06010-00
Front Stop Switch Assy (Ref #17)
17
Part #19D-83980-10-00
Выключатель температурный (Ref #18)
18
Part #5FU-82560-40-00
Панель переключателя (Ref #19)
19
Part #3BG-82571-00-00
Horn (Ref #20)
20
Part #1HX-83371-11-00
Катафот (Ref #22)
22
Part #11H-85110-01-00
Nut, flange (Ref #23)
23
Part #95707-05500-00
REFLECTOR (Ref #24)
24
Part #3Y6-85130-02-00
-
12UJ-82310-01-00
Катушка зажигания
1Replaced by 4DN-82320-00-00 Доступно: Нет в наличии
-
14DN-82320-00-00
Катушка зажигания
1Replaced by 4DN-82320-01-00 Доступно: Нет в наличии
-
22UJ-82320-00-00
Катушка зажигания
1Replaced by 4DN-82320-00-00 Доступно: Нет в наличии
-
53NS-82370-00-00
Колпачок высоковольтный
0Replaced by 4KM-82540-00-00 Доступно: Нет в наличии
-
1490157-05079-00
Screw, Pan Head
2Replaced by 98507-05014-00 Доступно: Нет в наличии
