Сцепление

Сцепление

Сцепление
+ -
  • 1
    3Y6-16111-03-00

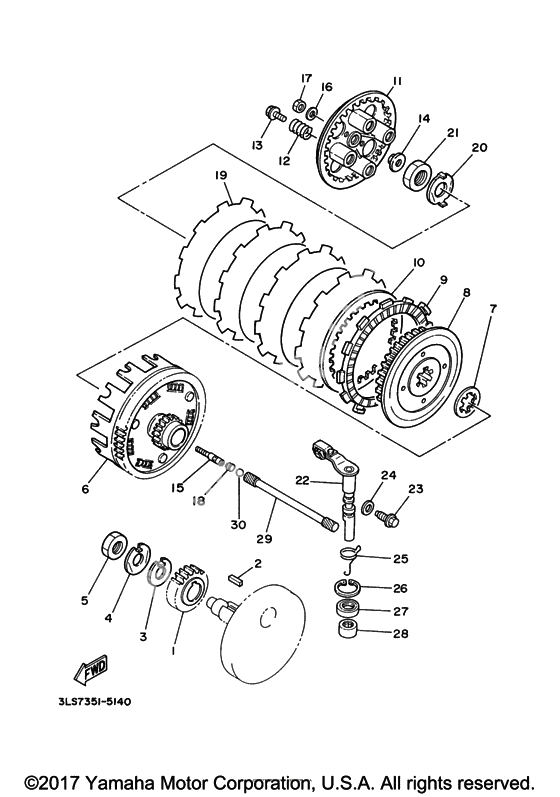
    GEAR, PRIMARY DRIVE

    1
    Доступно: Нет в наличии
  • 2
    90282-07023-00

    Key, Straight (584)

    1
    Доступно: Нет в наличии
  • 3
    90215-16156-00

    Шайба, стопорная

    1
    Доступно: Нет в наличии
  • 4
    90215-16222-00

    Шайба, стопорная

    1
    Доступно: Нет в наличии
  • 5
    90170-16343-00

    Nut, flange

    1
    Доступно: Нет в наличии
  • 5
    90170-16256-00

    Nut, flange

    1
    Replaced by 90170-16343-00 Доступно: Нет в наличии
  • 6
    2UJ-16150-00-00

    Втулка упорная

    1
    Доступно: Нет в наличии
  • 7
    30X-16154-00-00

    Plate, Thrust 1

    1
    Доступно: Нет в наличии
  • 8
    30X-16371-00-00

    Ботинок муфты

    1
    Доступно: Нет в наличии
  • 9
    5Y1-16331-01-00

    Пластина фрикционная

    4
    Доступно: Нет в наличии
  • 10
    3J2-16324-00-00

    Пластина (T=2.0)

    4
    Доступно: Нет в наличии
  • 11
    30X-16351-02-00

    Крышка сцепления.

    1
    Доступно: Нет в наличии
  • 12
    90501-26148-00

    Пружина компрессора

    4
    Доступно: Нет в наличии
  • 13
    90159-06016-00

    Screw, Pan Head With

    4
    Доступно: Нет в наличии
  • 14
    1W1-16358-01-00

    Plate, Push

    1
    Доступно: Нет в наличии
  • 15
    4DN-16356-00-00

    Rod, Push 1

    1
    Доступно: Нет в наличии
  • 16
    92907-06200-00

    Washer, Plate

    1
    Доступно: Нет в наличии
  • 17
    95317-06600-00

    Nut, flange

    1
    Доступно: Нет в наличии
  • 17
    95307-06600-00

    Nut, flange

    1
    Replaced by 95317-06600-00 Доступно: Нет в наличии
  • 18
    3YX-1635A-00-00

    Seal, Rod Push

    1
    Доступно: Нет в наличии
  • 19
    4H7-16321-02-00

    Диск сцепления фрикционный

    1
    Доступно: Нет в наличии
  • 19
    31A-16321-01-00

    プレート, トランサム

    1
    Replaced by 4H7-16321-02-00 Доступно: Нет в наличии
  • 20
    90215-16320-00

    Шайба, стопорная

    1
    Доступно: Нет в наличии
  • 21
    90170-16326-00

    Nut, flange

    1
    Доступно: Нет в наличии
  • 22
    2UJ-16380-00-00

    Рукоятка нажима

    1
    Доступно: Нет в наличии
  • 23
    90149-08067-00

    BOLT

    1
    Доступно: Нет в наличии
  • 24
    90201-08087-00

    Washer, Needle Valve

    1
    Доступно: Нет в наличии
  • 24
    90430-08119-00

    Washer, Needle Valve

    1
    Replaced by 90201-08087-00 Доступно: Нет в наличии
  • 25
    90508-14433-00

    Spring, Pilot Adjusting

    1
    Доступно: Нет в наличии
  • 26
    93420-28055-00

    Circlip

    1
    Доступно: Нет в наличии
  • 27
    93102-14209-00

    Oil seal

    1
    Доступно: Нет в наличии
  • 28
    93315-31449-00

    BEARING

    1
    Доступно: Нет в наличии
  • 28
    93315-31428-00

    BEARING

    1
    Replaced by 93315-31449-00 Доступно: Нет в наличии
  • 29
    2UJ-16357-00-00

    Rod, Push 2

    1
    Доступно: Нет в наличии
  • 30
    93511-32017-00

    Шарик

    1
    Replaced by 93511-32027-00 Доступно: Нет в наличии
  • 30
    93511-32027-00

    Шарик

    1
    Доступно: Нет в наличии