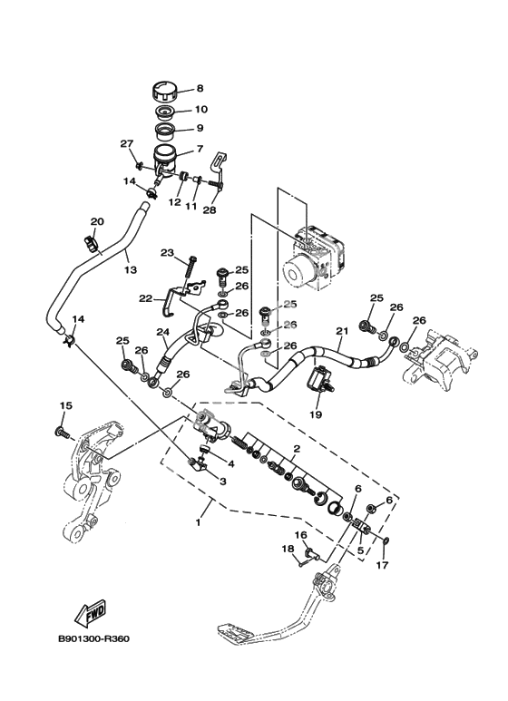
Задний тормозной цилиндр
Задний тормозной цилиндр
Цилиндр тормозной в сборе (Ref #1)
1
Part #56P-2583V-00-00
Детали тормозного цилиндра, комплект (Ref #2)
2
Part #56P-25808-50-00
Штуцер (Ref #3)
3
Part #2D1-2582A-00-00
Кольцо уплотнительное (Ref #4)
4
Part #4BP-2585F-01-00
Наконечник толкателя гидроцилиндра (Ref #5)
5
Part #4BP-27222-02-00
Гайка (Ref #6)
6
Part #90170-08010-00
Гайка (Ref #6)
6
Part #90170-08010-00
Гайка (Ref #6)
6
Part #90170-08010-00
Гайка (Ref #6)
6
Part #90170-08010-00
Бачок тормозной жидкости (Ref #7)
7
Part #14B-25894-00-00
Крышка бачка (Ref #8)
8
Part #2C0-25852-00-00
Diaphragm, Reservoir (Ref #9)
9
Part #2VN-25854-00-00
Втулка диафрагмы (Ref #10)
10
Part #2VN-25855-00-00
Втулка (Ref #11)
11
Part #90387-05028-00
Втулка демпфирующая (Ref #12)
12
Part #2C0-26326-00-00
Трубка бачка (Ref #13)
13
Part #1RC-25895-00-00
Хомут (Ref #14)
14
Part #90467-120A3-00
Хомут (Ref #14)
14
Part #90467-120A3-00
Хомут (Ref #14)
14
Part #90467-120A3-00
Хомут (Ref #14)
14
Part #90467-120A3-00
Болт (Ref #15)
15
Part #90111-08038-00
Палец (Ref #16)
16
Part #90240-08005-00
Шайба (Ref #17)
17
Part #90201-08066-00
. PIN (Ref #18)
18
Part #91490-20015-00
. PIN (Ref #18)
18
Part #91490-20025-00
Скоба (Ref #19)
19
Part #904-64200-23-00
Скоба (Ref #20)
20
Part #90464-18007-00
Шланг тормозной 5 (Ref #21)
21
Part #2DR-2581K-00-00
Крепление светоотражателя (Ref #22)
22
Part #2DR-85142-00-00
Болт (Ref #23)
23
Part #901-05060-91-00
Шланг тормозной 4 (Ref #24)
24
Part #2DR-2581J-00-00
Nut, flange (Ref #27)
27
Part #95707-05500-00
Крепление бачка (Ref #28)
28
Part #1RC-2582E-00-00
