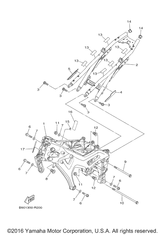
Рама
Рама
Рама (Ref #1)
1
Part #1RC-21110-80-00
Рама, задняя часть (Ref #2)
2
Part #B90-21190-00-00
Крышка левая (Ref #4)
4
Part #1RC-2117X-00-00
Крышка правая (Ref #5)
5
Part #1RC-2117Y-00-00
Втулка резьбовая регулировочная (Ref #8)
8
Part #1RC-21495-00-00
Болт (Ref #9)
9
Part #901-05103-91-00
Болт (Ref #10)
10
Part #901-05104-37-00
Гайка (Ref #11)
11
Part #90179-10024-00
Гайка (Ref #11)
11
Part #90179-10024-00
Гайка (Ref #11)
11
Part #90179-10024-00
Гайка (Ref #11)
11
Part #90179-10024-00
Болт регулировки положения двигателя (Ref #12)
12
Part #4C8-21495-00-00
Болт регулировки положения двигателя (Ref #12)
12
Part #4C8-21495-00-00
Болт регулировки положения двигателя (Ref #12)
12
Part #4C8-21495-00-00
Болт регулировки положения двигателя (Ref #12)
12
Part #4C8-21495-00-00
Пробка (Ref #14)
14
Part #90338-23172-00
Пробка (Ref #14)
14
Part #90338-23172-00
Пробка (Ref #14)
14
Part #90338-23172-00
Пробка (Ref #14)
14
Part #90338-23172-00
Пробка (Ref #15)
15
Part #5VX-21289-00-00
Демпфер (Ref #16)
16
Part #1HP-H2176-00-00
Пластина защитная (Ref #17)
17
Part #1RC-2117G-00-00
