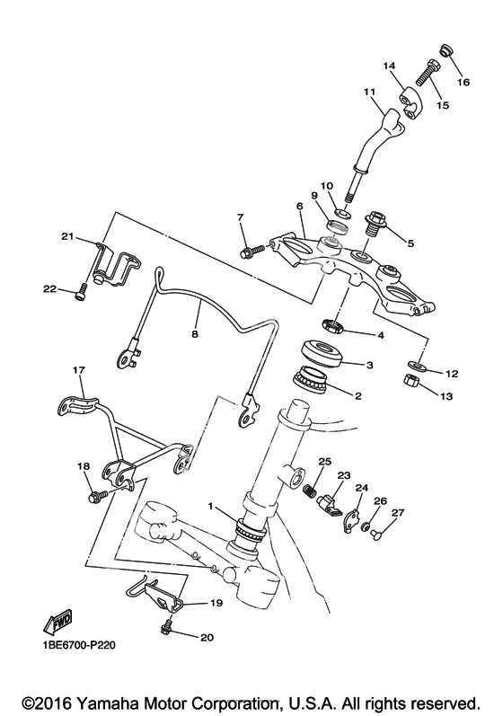
Рулевой механизм
Рулевой механизм
BEARING (Ref #1)
1
Part #93399-99942-00
Bearing (Ref #2)
2
Part #93399-99950-00
Крышка 1 (Ref #3)
3
Part #4HF-23415-00-00
Nut, flange (Ref #4)
4
Part #901-79250-04-00
Bolt, Flange (Ref #5)
5
Part #90105-14102-00
Crown, Handle (Ref #6)
6
Part #2UJ-W2341-00-33
BOLT (Ref #7)
7
Part #95024-08040-00
Stay, light guard (Ref #8)
8
Part #3DM-23164-00-00
Демпфер (Ref #9)
9
Part #3DM-23445-00-00
Шайба (Ref #10)
10
Part #90201-105H3-00
Holder, Handle Lower (Ref #11)
11
Part #3DM-23442-30-00
Washer, Plate (Ref #12)
12
Part #90201-105A2-00
Гайка U (Ref #13)
13
Part #95617-10100-00
HOLDER, HANDLE UPPER (Ref #14)
14
Part #4H7-23441-01-33
Bolt, Hexagon Socket Head (Ref #15)
15
Part #91314-08025-00
Заглушка (Ref #16)
16
Part #341-23469-00-00
Stay, headlight (Ref #17)
17
Part #2UJ-23174-01-00
BOLT (Ref #18)
18
Part #95024-06016-00
Stay 3 (Ref #19)
19
Part #2UJ-2317M-00-00
Болт (Ref #20)
20
Part #95024-06012-00
STAY (Ref #21)
21
Part #2UJ-2317E-00-00
BOLT (Ref #22)
22
Part #91317-06016-00
Steering Lock Assy (Ref #23)
23
Part #2A6-23408-00-00
Cap, Handle Lock (Ref #24)
24
Part #3DM-23484-00-00
Spring, Conical (Ref #25)
25
Part #90502-09024-00
Шайба пружины (Ref #26)
26
Part #90208-04029-00
RIVET (Ref #27)
27
Part #90269-04003-00
-
234R3-23408-00-00
Steering Lock Assy
1Replaced by 2A6-23408-00-00 Доступно: Нет в наличии
