Cylinder head
Cylinder head
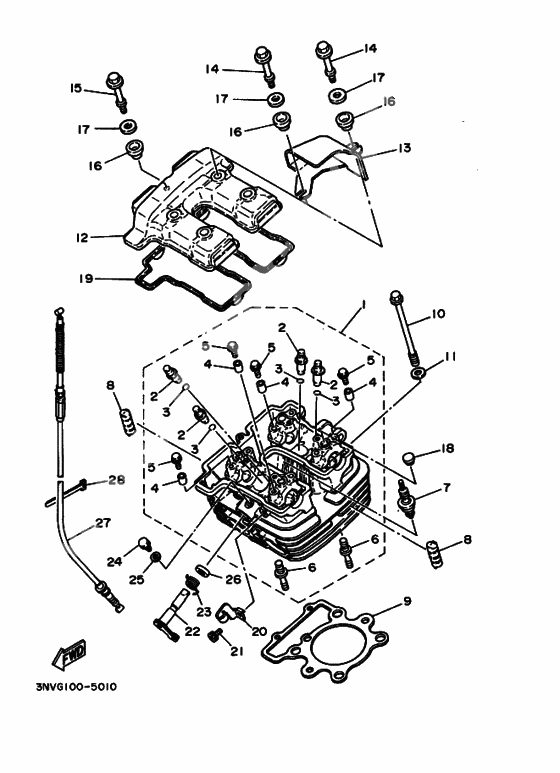
Блок цилиндров (Ref #1)
1
Part #55V-11101-02-00
BOLT, STUD (Ref #6)
6
Part #90116-10378-00
BOLT, STUD (Ref #6)
6
Part #90116-10378-00
BOLT, STUD (Ref #6)
6
Part #90116-10378-00
BOLT, STUD (Ref #6)
6
Part #90116-10378-00
Plug, Spark (Ngk Dr8Ea) (Ref #7)
7
Part #DR8-EA000-00-00
Поглотитель (Ref #8)
8
Part #30X-11161-00-00
Поглотитель (Ref #8)
8
Part #30X-11161-00-00
Поглотитель (Ref #8)
8
Part #30X-11161-00-00
Поглотитель (Ref #8)
8
Part #30X-11161-00-00
Прокладка головки цилиндров (Ref #9)
9
Part #55V-11181-00-00
Screw, With Washer (Ref #10)
10
Part #90105-10608-00
Washer, Plate (Ref #11)
11
Part #90201-102G9-00
LID (Ref #12)
12
Part #30X-11191-01-00
LID (Ref #13)
13
Part #30X-11192-01-00
BOLT (Ref #14)
14
Part #90109-064F0-00
BOLT (Ref #14)
14
Part #90109-064F0-00
BOLT (Ref #14)
14
Part #90109-064F0-00
BOLT (Ref #14)
14
Part #90109-064F0-00
BOLT (Ref #15)
15
Part #90109-06584-00
PLUG (Ref #18)
18
Part #90338-11125-00
Gasket, Head Cover 1 (Ref #19)
19
Part #30X-11193-01-00
Кронштейн (Ref #20)
20
Part #30X-12283-00-00
BOLT (Ref #21)
21
Part #91317-06012-00
Кулачок декомпрессора (Ref #22)
22
Part #30X-12288-00-00
Spring, Pilot Adjusting (Ref #23)
23
Part #90508-18606-00
BOLT (Ref #24)
24
Part #90109-06418-00
Washer, Needle Valve (Ref #25)
25
Part #90430-06014-00
Oil seal (Ref #26)
26
Part #931-02123-21-00
Кабель (Ref #27)
27
Part #30X-12292-00-00
Комплект переключателяя (Ref #28)
28
Part #437-83936-01-00
-
155V-11101-01-00
Блок цилиндров
1Replaced by 55V-11101-02-00 Доступно: Нет в наличии
-
794701-00333-00
Plug, Spark (Ngk Dr8Ea)
1Replaced by DR8-EA000-00-00 Доступно: Нет в наличии
