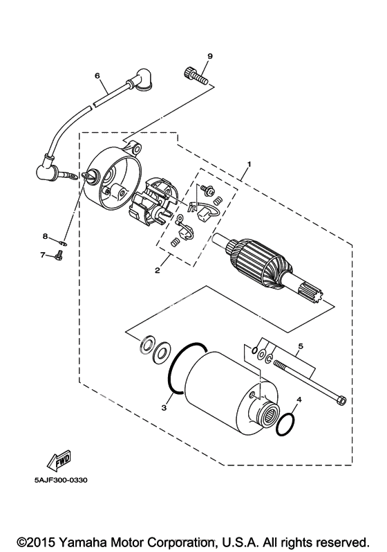
Стартер электрический
Стартер электрический
Starting Motor Unit (Ref #1)
1
Part #2UJ-81890-00-00
Набор щёток (Ref #2)
2
Part #3C5-81801-00-00
Кольцо уплотнительное (Ref #3)
3
Part #93210-55669-00
Кольцо уплотнительное (Ref #4)
4
Part #93210-25711-00
Screw set (Ref #5)
5
Part #59V-81828-M0-00
Канат (Ref #6)
6
Part #2UJ-8183G-00-00
Screw, Pan Head (Ref #7)
7
Part #985-07050-08-00
Washer, Plate (Ref #8)
8
Part #92907-05100-00
Болт диагональный (Ref #9)
9
Part #91314-06020-00
