Transom + tube
Transom + tube
Грузик (Ref #1)
1
Part #42706-MB0-000
Грузик (Ref #1)
1
Part #42705-MCF-D60
Грузик (Ref #1)
1
Part #42704-MCF-D60
Клапан, обод колеса (Ref #2)
2
Part #42753-ML7-003
Клапан, обод колеса (Ref #2)
2
Part #42753-ML7-004
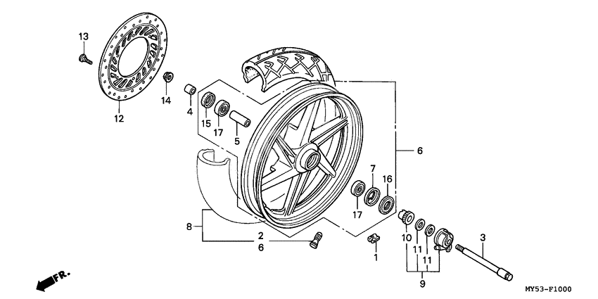
Axle,fr wheel (Ref #3)
3
Part #44301-MY5-610
Collar,fr wheel (Ref #4)
4
Part #44311-MY5-610
Collar, fr (Ref #5)
5
Part #44620-KBH-000
Wheel set*nh168m* (Ref #6)
6
Part #44650-MY5-305ZA
Wheel set*nh168m* (Ref #6)
6
Part #44650-MY5-305ZA
Wheel set*nh168m* (Ref #6)
6
Part #44650-MY5-305ZA
Wheel set*nh168m* (Ref #6)
6
Part #44650-MY5-305ZA
Retainer, gear box (Ref #7)
7
Part #44680-410-000
Tire assy,fr(dun) (Ref #8)
8
Part #44710-MY5-612
Tire assy,fr(bs) (Ref #8)
8
Part #44710-MY5-611
Box assy (Ref #9)
9
Part #44800-KBV-003
Gear, speedometer (Ref #10)
10
Part #44806-KBV-003
Шайба (Ref #11)
11
Part #44809-402-000
Шайба (Ref #11)
11
Part #44809-402-000
Шайба (Ref #11)
11
Part #44809-402-000
Шайба (Ref #11)
11
Part #44809-402-000
Disk, r. fr. brake (Ref #12)
12
Part #45251-MS2-010
Bolt, disk (8x24) (Ref #13)
13
Part #90105-MV9-003
Nut, flange, 12mm (Ref #14)
14
Part #90306-KF0-003
Dust seal (22x42x7) (Ref #15)
15
Part #91252-MC7-003
Dust seal (40x50x5) (Ref #16)
16
Part #91258-410-013
Bearing (6302uu) (Ref #17)
17
Part #96150-6302010
Bearing (6302uu) (Ref #17)
17
Part #96150-6302010
Bearing (6302uu) (Ref #17)
17
Part #96150-6302010
Bearing (6302uu) (Ref #17)
17
Part #96150-6302010
-
-
Цена: 1 340.00 р.
Доступно: 2
-
