Starting motor
Starting motor
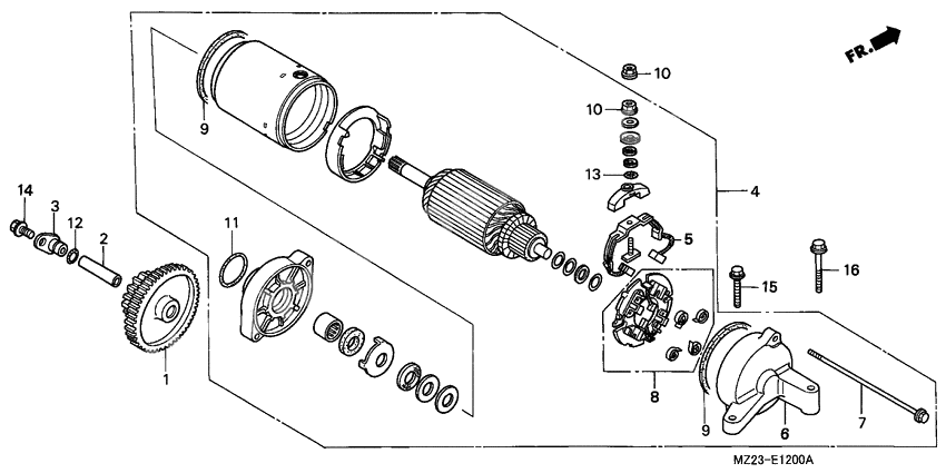
Шестерня (Ref #1)
1
Part #28101-MM5-000
Pin (10x44) (Ref #2)
2
Part #28102-ME9-000
PLATE (Ref #3)
3
Part #28117-MM5-000
Motor assy., starter (Ref #4)
4
Part #31200-MZ1-008
Terminal set, brush (Ref #5)
5
Part #31201-MR6-008
Bolt, setting (Ref #7)
7
Part #31205-MR1-008
Holder set, brush (Ref #8)
8
Part #31206-MR6-008
RING (Ref #9)
9
Part #31207-KS5-901
RING (Ref #9)
9
Part #31207-KS5-901
RING (Ref #9)
9
Part #31207-KS5-901
RING (Ref #9)
9
Part #31207-KS5-901
Nut-washer, 6mm (Ref #10)
10
Part #90071-MB0-000
Nut-washer, 6mm (Ref #10)
10
Part #90071-MB0-000
Nut-washer, 6mm (Ref #10)
10
Part #90071-MB0-000
Nut-washer, 6mm (Ref #10)
10
Part #90071-MB0-000
Прокладка (Ref #11)
11
Part #91312-MG7-003
Прокладка (Ref #12)
12
Part #91312-107-000
Прокладка (Ref #13)
13
Part #91320-MB0-000
BOLT (Ref #14)
14
Part #95701-060-140-0
BOLT (Ref #15)
15
Part #95701-060-250-0
Bolt, flange, 6x35 (Ref #16)
16
Part #95701-0603500
