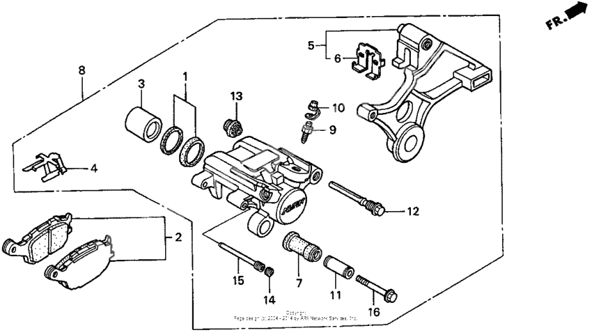
Rear brake caliper
Rear brake caliper
Уплотнители поршня (Ref #1)
1
Part #06451-443-405
Pad set, rr. (Ref #2)
2
Part #43105-MW0-415
PISTON (Ref #3)
3
Part #43107-KT7-761
Пружина (Ref #4)
4
Part #43108-KT7-761
Bracket, rr. (Ref #5)
5
Part #43110-MV9-006
RETAINER (Ref #6)
6
Part #43112-MV9-016
Boot, sleeve (Ref #7)
7
Part #43132-KT7-761
Caliper sub-assy. (Ref #8)
8
Part #43150-MV9-305
Болт (Ref #9)
9
Part #43352-568-003
CAP (Ref #10)
10
Part #43353-461-771
Втулка (Ref #11)
11
Part #45111-MA3-006
Pin, bolt (Ref #12)
12
Part #45131-MN9-006
Boot b (Ref #13)
13
Part #45133-MA3-006
Plug, pin (Ref #14)
14
Part #45203-MG3-016
Pin, hanger (Ref #15)
15
Part #45215-ML7-922
Болт (Ref #16)
16
Part #90180-MN8-006
-
-
Цена: 510.00 р.
Доступно: 2
-
-
-
Цена: 420.00 р.
Доступно: 0
-
