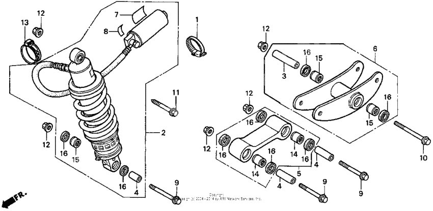
Rear shock absorber
Rear shock absorber
Band, sub-tank (Ref #1)
1
Part #50252-KV3-781
Shock absorber, rr. (Ref #2)
2
Part #52400-MAL-G01
COLLAR (Ref #3)
3
Part #52463-KM3-000
Rod sub-assy. (Ref #5)
5
Part #52465-MAL-G00
Arm, shock absorber (Ref #6)
6
Part #52470-MV9-000
Label, rr. (Ref #7)
7
Part #87516-KV6-610
LABEL (Ref #8)
8
Part #87519-KV3-841
Болт (Ref #10)
10
Part #90107-969-000
Болт (Ref #11)
11
Part #90120-HC4-000
Band, wire (black) (Ref #13)
13
Part #90652-KT1-771
Bearing, needle (Ref #14)
14
Part #91071-KV3-005
Bearing, needle (Ref #14)
14
Part #91071-KV3-005
Bearing, needle (Ref #14)
14
Part #91071-KV3-005
Bearing, needle (Ref #14)
14
Part #91071-KV3-005
