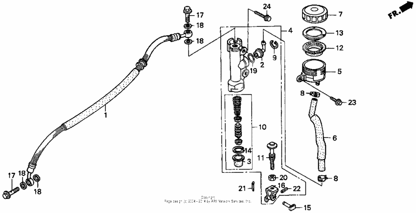
Rr. brake master cyl.
Rr. brake master cyl.
Hose, rr. brake (Ref #1)
1
Part #43310-MAL-601
Коннектор (Ref #2)
2
Part #43503-KS6-701
Ботинок (Ref #3)
3
Part #43504-MB2-006
M/cyl sub-assy, rr. (Ref #4)
4
Part #43510-MAL-601
Cup, oil (Ref #5)
5
Part #43511-MR7-016
HOSE (Ref #6)
6
Part #43512-MV9-000
Cap, oil cup (Ref #7)
7
Part #43513-MY1-006
CLAMP (Ref #8)
8
Part #43514-KS6-701
CLAMP (Ref #8)
8
Part #43514-KS6-701
CLAMP (Ref #8)
8
Part #43514-KS6-701
CLAMP (Ref #8)
8
Part #43514-KS6-701
Circlip, rr. (Ref #9)
9
Part #43517-KS6-701
PISTON SET (Ref #10)
10
Part #43520-MB2-315
Штанга (Ref #11)
11
Part #43530-MV9-006
DIAPHRAGM (Ref #12)
12
Part #45520-300-000
Пластина (Ref #13)
13
Part #45521-MJ6-006
Circlip (Ref #14)
14
Part #46182-500-013
Pin, brake rod (Ref #15)
15
Part #46503-MAL-000
Joint, brake rod (Ref #16)
16
Part #46504-MAL-601
Bolt, oil (10x22) (Ref #17)
17
Part #90145-MS9-612
Bolt, oil (10x22) (Ref #17)
17
Part #90145-MS9-612
Bolt, oil (10x22) (Ref #17)
17
Part #90145-MS9-612
Bolt, oil (10x22) (Ref #17)
17
Part #90145-MS9-612
Прокладка (Ref #19)
19
Part #91212-422-006
Гайка (Ref #20)
20
Part #94002-080-000-S
PIN (Ref #21)
21
Part #94201-20120
PIN (Ref #22)
22
Part #94305-20102
BOLT (Ref #23)
23
Part #95701-060-200-8
BOLT (Ref #24)
24
Part #96001-060-200-0
