Картер
Картер
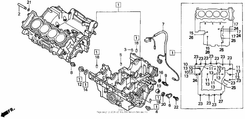
Plug, sealing (Ref #2)
2
Part #11103-MW0-000
Ресивер (Ref #3)
3
Part #11104-MW0-000
Bolt, sealing (18mm) (Ref #4)
4
Part #12206-ML8-300
Ресивер (Ref #5)
5
Part #15515-KT8-000
Sub-wire a (Ref #7)
7
Part #32101-MW0-000
Переключатель прессуры масла (Ref #8)
8
Part #35500-MJ4-024
Sw.assy,neutral (Ref #9)
9
Part #35600-KE8-003
Bolt, sealing (20mm) (Ref #12)
12
Part #90048-MAL-600
Шайба (Ref #14)
14
Part #90441-MN5-000
Шайба (Ref #15)
15
Part #90442-028-000
Шайба (Ref #15)
15
Part #90442-028-000
Шайба (Ref #15)
15
Part #90442-028-000
Шайба (Ref #15)
15
Part #90442-028-000
Washer, neutral (Ref #16)
16
Part #90443-MJ6-000
Oil seal (14x22x5) (Ref #20)
20
Part #91203-KA4-771
Прокладка (Ref #21)
21
Part #91315-PN1-000
Bolt, flange, 8x65 (Ref #26)
26
Part #95701-0806500
Bolt, flange, 8x65 (Ref #26)
26
Part #95701-0806500
Bolt, flange, 8x65 (Ref #26)
26
Part #95701-0806500
Bolt, flange, 8x65 (Ref #26)
26
Part #95701-0806500
Bolt, flange, 10x65 (Ref #27)
27
Part #95701-1006500
-
412206-371-305
Bolt, sealing (18mm)
1Replaced by 12206-ML8-300 Доступно: Нет в наличии
-
-
Цена: 260.00 р.
Доступно: 9
-
